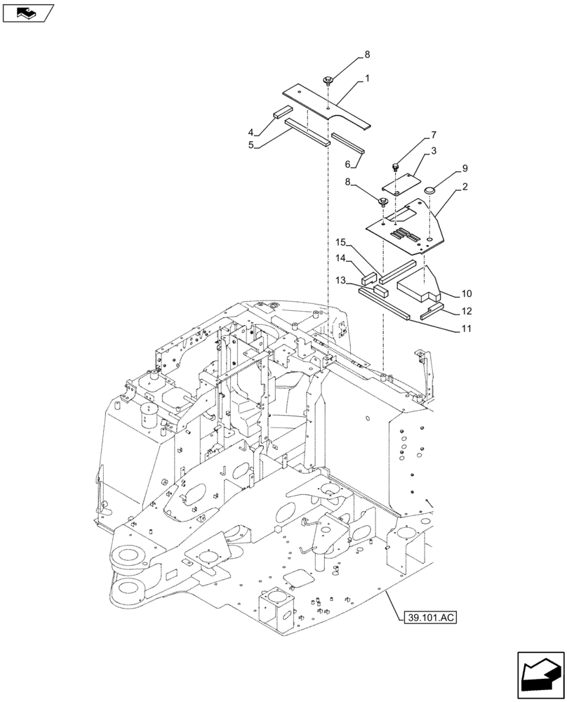
Запчасти Case CX80C (90.100.BF) - RADIATOR UPPER HOOD (90) - PLATFORM, CAB, BODYWORK AND DECALS

Схема запчастей Case CX80C - (90.100.BF) - RADIATOR UPPER HOOD (90) - PLATFORM, CAB, BODYWORK AND DECALS
9
15
10
13
14
12
3
6
2
8
1
39.101.ac
8
5
11
7
4
FIT
1:1
100%

Артикул

Название

Примечание

Количество

1

KAN15350G1

COVER

1шт.

2

KAN16120G1

COVER

1шт.

3

KAN14840G1

COVER

1шт.

4

KAN16850

INSULATION

1шт.

5

KAN16670

INSULATION

1шт.

6

KAN15110

SEAL PROTECTION

1шт.

7

166351A1

BOLT,Sems, M10 x 20mm

2шт.

8

KHN24900

BOLT

5шт.

9

KBJ0525

GROMMET

1шт.

10

KAN16580

INSULATION

1шт.

11

KSH12160

SEAL PROTECTION

1шт.

12

KAN16920

SEAL PROTECTION

1шт.

13

KMN1625

INSULATION

1шт.

14

KAN17030

SEAL PROTECTION

1шт.

15

KMN1785

SEAL PROTECTION

1шт.

Выбрано товаров: 15