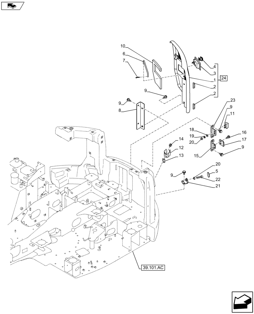
Запчасти Case CX80C (90.102.AH[01]) - ENGINE, INSPECTION DOOR (90) - PLATFORM, CAB, BODYWORK AND DECALS

Схема запчастей Case CX80C - (90.102.AH[01]) - ENGINE, INSPECTION DOOR (90) - PLATFORM, CAB, BODYWORK AND DECALS
7
24
11
20
19
22
10
13
4
2
23
39.101.ac
17
6
20
9
3
18
5
9
15
9
16
9
9
12
21
14
1
8
2
FIT
1:1
100%

Артикул

Название

Примечание

Количество

1

NSS

NOT SOLD SEPARAT

Inspection Door, Incl in 24

1шт.

2

KAN3271

HINGE

2шт.

3

150938A1

LOCK

1шт.

4

NSS

NOT SOLD SEPARAT

Lock Cylinder, Incl in 24

1шт.

5

KRN17430

RUBBER PAD

1шт.

6

KRN20910

DOOR STAY

1шт.

7

153181A1

COTTER PIN

1шт.

8

KAN14740

BRACKET

1шт.

9

KHN24890

BOLT

1шт.

10

KAN17510

INSULATION

1шт.

11

KRN2098

STOP

1шт.

12

152772A1

HOLDER

1шт.

13

KHN3548

PLATE

1шт.

14

166351A1

BOLT,Sems, M10 x 20mm

2шт.

15

KAN14750

BRACKET

1шт.

16

166052A1

BOLT

1шт.

17

KAN14770

BRACKET

1шт.

18

895-11010

WASHER,11mm ID x 20mm OD x 2mm Thk

2шт.

19

892-11010

LOCK WASHER,M10

2шт.

20

86500689

NUT,M10 x 1.5, Cl 10

3шт.

21

KAN15640

BRACKET

1шт.

22

159091A1

STOP

1шт.

23

KAN14760

BRACKET

1шт.

24

KAN16250Y2

INSPECTION DOOR

Assy, Incl 2 - 4

1шт.

Выбрано товаров: 24