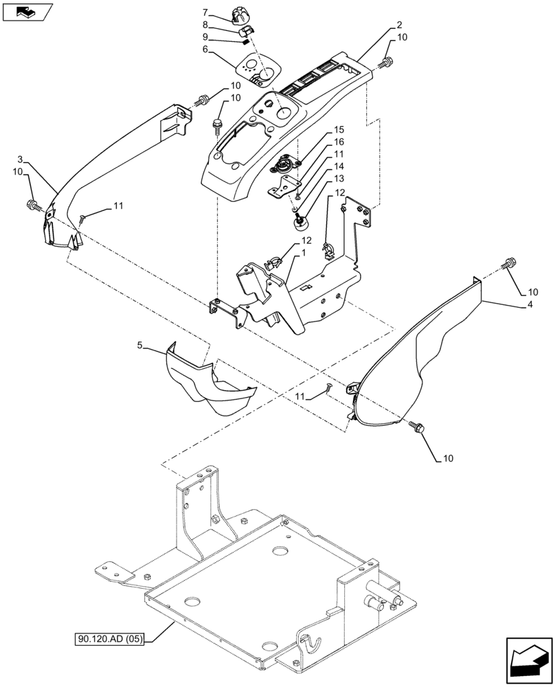
Запчасти Case CX80C (90.160.BY[03]) - VAR - 781768 - SIDE CONSOLE ASSEMBLY (90) - PLATFORM, CAB, BODYWORK AND DECALS

Схема запчастей Case CX80C - (90.160.BY[03]) - VAR - 781768 - SIDE CONSOLE ASSEMBLY (90) - PLATFORM, CAB, BODYWORK AND DECALS
3
8
5
10
12
10
16
10
15
11
11
9
12
4
1
13
6
90.120.ad (05)
2
10
14
11
10
7
10
FIT
1:1
100%

Артикул

Название

Примечание

Количество

1

KHN36540

FRAME

Rh

1шт.

2

KHN37850

COVER

1шт.

3

KHN32480

COVER

Rh

1шт.

4

KHN37820

COVER

1шт.

5

KHN32490

COVER

1шт.

6

KHN26260

PANEL

1шт.

7

KHN15100

BUTTON

1шт.

8

KHN15110

BUTTON

1шт.

9

KHN15140

SPRING

1шт.

10

KHN2132

BOLT,Hex Flg Hd, M6 x 16

8шт.

11

KHR2737

SELF-TAP SCREW

7шт.

12

KHN17050

CLIP

2шт.

13

KHR2751

SWITCH

1шт.

14

KHR2741

PACKING

1шт.

15

KHN15120

ELEC SUPPORT PLATE

1шт.

16

KHN15130

BRACKET

1шт.

Выбрано товаров: 16