Запчасти Case CX80C (10.206.AG[03]) - FUEL FILTER (10) - ENGINE

Схема запчастей Case CX80C - (10.206.AG[03]) - FUEL FILTER (10) - ENGINE
4
22
22
10.206.ag (02)
16
19
8
1
8
7
8
12
10.400.be
18
10.001.ad (01)
8
24
3
6
24
8
8
8
22
8
24
10.216.ai
10
16
9
8
24
16
20
4
6
10.408.ao
11
13
14
16
7
2
8
3
22
17
5
15
20
21
55.010.al
23
15
7
8
FIT
1:1
100%

Артикул

Название

Примечание

Количество

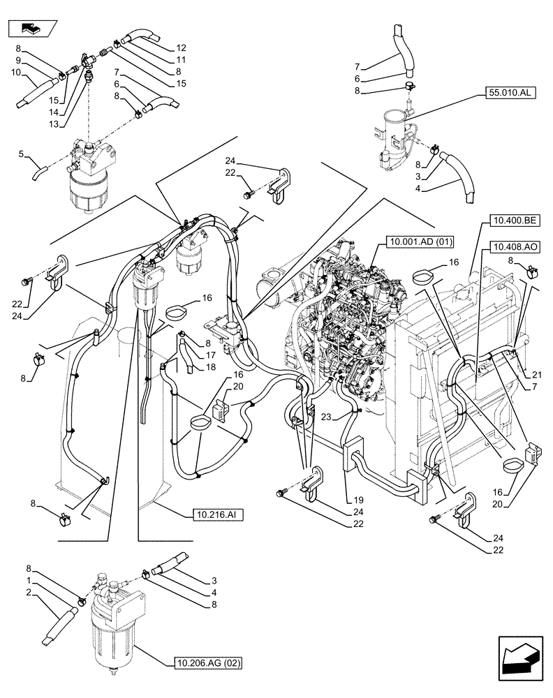
1

KHH12130

FUEL HOSE

1шт.

2

KHR32600

FLEXIBLE SHEATH

1шт.

3

KHH16360

FUEL HOSE

1шт.

4

KHR3340

PLASTIC-RUBBER TUBE

1шт.

5

KHH15190

PLASTIC-RUBBER TUBE

1шт.

6

KHH11780

FUEL HOSE

1шт.

7

KHR21050

PLASTIC-RUBBER TUBE

3шт.

8

KHH0405

MOUNTING CLIP

1шт.

9

KHH14440

HOSE

1шт.

10

KHH12710

PLASTIC-RUBBER TUBE

1шт.

11

KHH11090

FUEL HOSE

1шт.

12

KHR11730

FLEXIBLE SHEATH

1шт.

13

KAH12770

NIPPLE

1шт.

14

KHH15171

COCK

1шт.

15

151252A1

NIPPLE, LUBE

2шт.

16

150496A1

MOUNTING CLIP

1шт.

17

KHH11820

FUEL HOSE,4100.00 mm

1шт.

18

KHR17670

PLASTIC-RUBBER TUBE

1шт.

19

KAH12780

SEAL

2шт.

20

KHR10220

MOUNTING CLIP

1шт.

21

KHH15200

FUEL HOSE

1шт.

22

KHJ1215

BOLT,Spcl

1шт.

23

KHR2584

CLAMP

1шт.

24

KHR2581

CLAMP

1шт.

Выбрано товаров: 24