Запчасти Case CX80C (35.310.AA[09]) - CONTROL VALVE (35) - HYDRAULIC SYSTEMS

Схема запчастей Case CX80C - (35.310.AA[09]) - CONTROL VALVE (35) - HYDRAULIC SYSTEMS
10
5
8
19
4
2
18
7
16
17
9
13
35.310.aa (02)
6
20
3
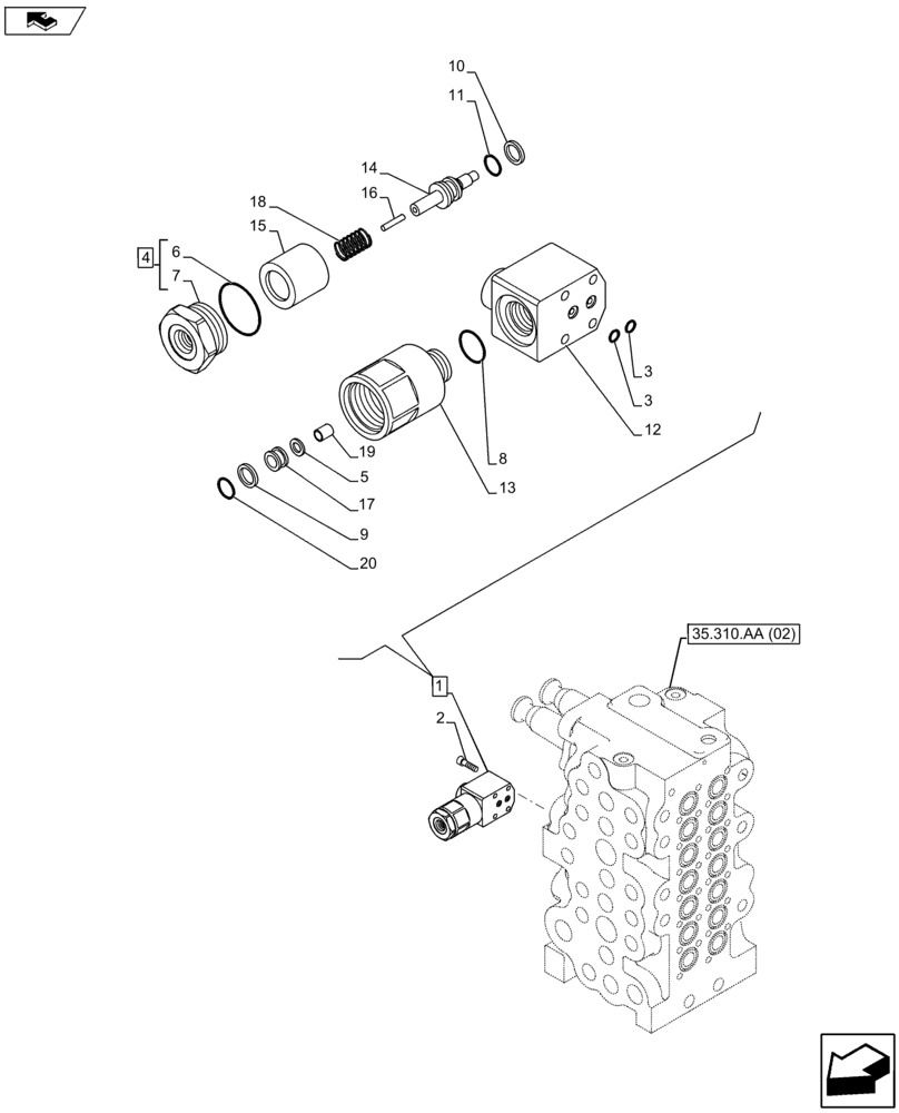
1
15
11
3
12
14
FIT
1:1
100%

Артикул

Название

Примечание

Количество

1

LJ01140

VALVE

Assy, Incl 2 - 20

1шт.

2

LA00890

BOLT,Hex Skt Hd

4шт.

3

154451A1

O-RING

2шт.

4

LK00325

PLUG

Assy, Incl 6, 7

1шт.

5

LR00632

SPRING SEAT

1шт.

6

155225A1

O-RING

1шт.

7

LK00324

PLUG

1шт.

8

155222A1

O-RING

1шт.

9

153949A1

BACK-UP RING

1шт.

10

154420A1

RING

1шт.

11

155087A1

O-RING

1шт.

12

LR01055

BODY

1шт.

13

LK00435

PLUG

1шт.

14

NSS

NOT SOLD SEPARAT

Spool, Incl in 1

1шт.

15

LJ01157

PISTON

1шт.

16

NSS

NOT SOLD SEPARAT

Poppet, Incl in 1

1шт.

17

NSS

NOT SOLD SEPARAT

Sleeve, Incl in 1

1шт.

18

LG00492

COMPRESSION SPRING

1шт.

19

LG00367

SPRING

1шт.

20

154458A1

O-RING

1шт.

Выбрано товаров: 20