Запчасти Case CX130D (00.000.35[01]) - PICTORIAL INDEX - HYDRAULIC SYSTEMS (00) - GENERAL & PICTORIAL INDEX

Схема запчастей Case CX130D - (00.000.35[01]) - PICTORIAL INDEX - HYDRAULIC SYSTEMS (00) - GENERAL & PICTORIAL INDEX
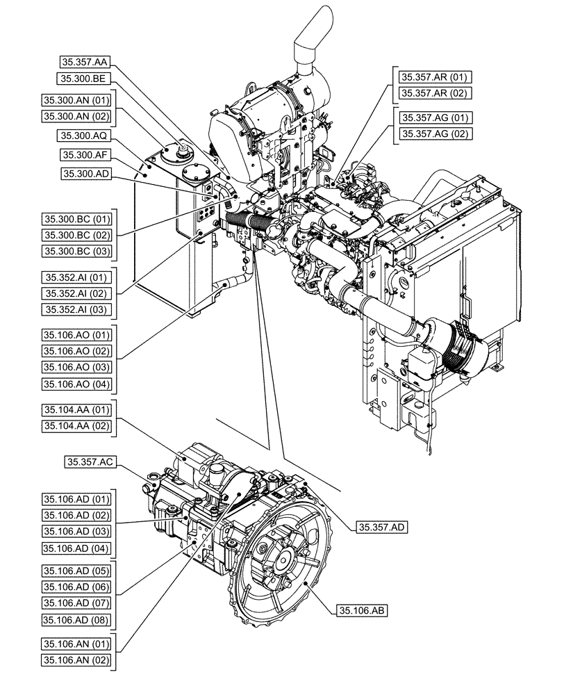
35.357.ad
35.300.bc (02)
35.300.bc (01)
35.300.af
35.300.bc (03)
35.300.aq
35.352.ai (01)
35.300.be
35.352.ai (03)
35.106.ab
35.106.ao (03)
35.357.ag (01)
35.106.ao (02)
35.352.ai (02)
35.106.ao (01)
35.300.ad
35.106.ad (05)
35.106.ad (04)
35.357.ar (01)
35.106.ao (04)
35.104.aa (01)
35.357.aa
35.357.ar (02)
35.106.an (02)
35.357.ag (02)
35.357.ac
35.106.ad (07)
35.106.ad (02)
35.106.an (01)
35.106.ad (08)
35.106.ad (06)
35.104.aa (02)
35.106.ad (03)
35.300.an (01)
35.106.ad (01)
35.300.an (02)
FIT
1:1
100%