Запчасти Case CX130D (00.000.35[05]) - PICTORIAL INDEX - HYDRAULIC SYSTEMS (00) - GENERAL & PICTORIAL INDEX

Схема запчастей Case CX130D - (00.000.35[05]) - PICTORIAL INDEX - HYDRAULIC SYSTEMS (00) - GENERAL & PICTORIAL INDEX
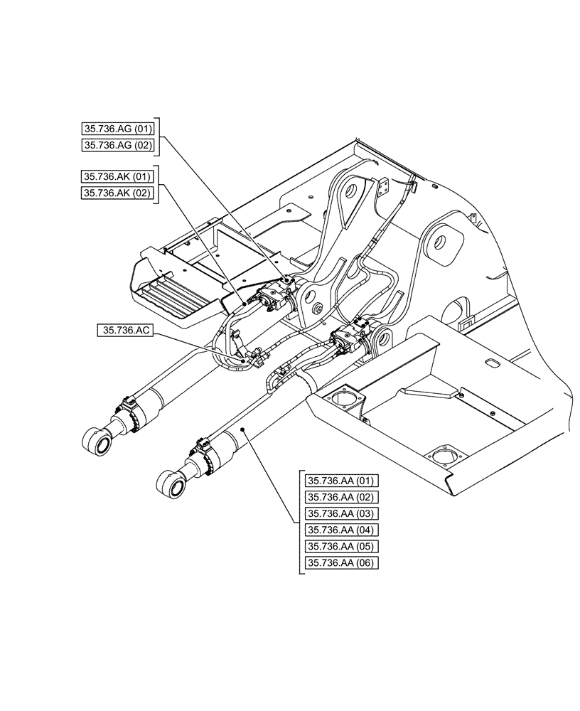
35.736.aa (01)
35.736.aa (03)
35.736.aa (05)
35.736.aa (04)
35.736.ak (02)
35.736.aa (06)
35.736.aa (02)
35.736.ac
35.736.ak (01)
35.736.ag (01)
35.736.ag (02)
FIT
1:1
100%