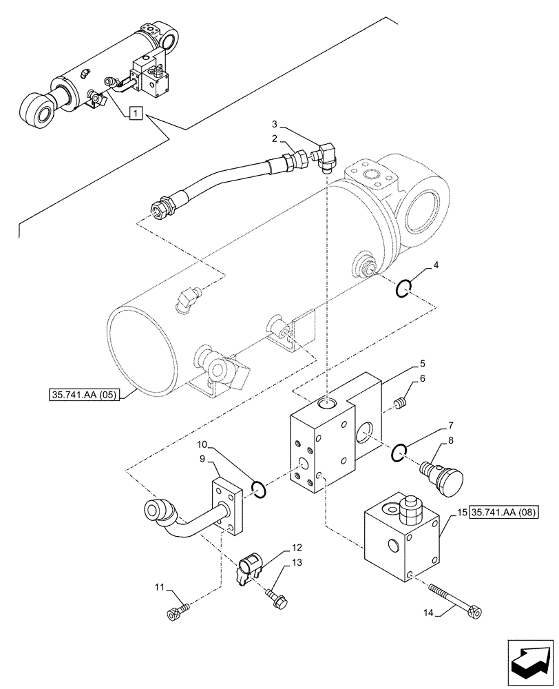
Запчасти Case CX130D (35.741.AA[07]) - VAR - 481064 - LIFT CYLINDER, BLADE, SAFETY VALVE, COMPONENTS (35) - HYDRAULIC SYSTEMS

Схема запчастей Case CX130D - (35.741.AA[07]) - VAR - 481064 - LIFT CYLINDER, BLADE, SAFETY VALVE, COMPONENTS (35) - HYDRAULIC SYSTEMS
35.741.aa (08)
1
14
2
8
6
3
10
13
4
5
35.741.aa (05)
15
9
7
11
12
FIT
1:1
100%

Артикул

Название

Примечание

Количество

1

KMV18510

HYDRAULIC CYLINDER

ASSY, Incl 2 - 15

1шт.

See also Figure 35.741.AA(04), 35.741.AA (05), 35.741.AA (08), 86.110.AG (03)

1шт.

2

LK006540

HOSE

1шт.

3

LK00402

FITTING

1шт.

4

169204A1

O-RING

1шт.

5

LR00929

PLATE

1шт.

6

TLU0003

PLUG

1шт.

7

155095A1

O-RING

1шт.

8

LK00352

PLUG

1шт.

9

LK006530

PIPE

1шт.

10

154499A1

O-RING

1шт.

11

861-8025

HEX SOC SCREW,M8 x 25mm, Cl 12.9

M8 x 25mm

4шт.

12

LS00209

COLLAR

1шт.

13

LA00789

BOLT,Spcl

1шт.

14

863-8080

HEX SOC SCREW,M8 x 80mm, Cl 12.9

M8 x 80mm

4шт.

15

LJ00990

SAFETY VALVE

ASSY

1шт.

Выбрано товаров: 16