Запчасти Case CX130D (88.100.35[044]) - DIA KIT, HAMMER CIRCUIT, HIGH FLOW, W/ ELECTRICAL PROPORTIONAL CONTROL, DIRECTIONAL CONTROL VALVE, LINE (88) - ACCESSORIES

Схема запчастей Case CX130D - (88.100.35[044]) - DIA KIT, HAMMER CIRCUIT, HIGH FLOW, W/ ELECTRICAL PROPORTIONAL CONTROL, DIRECTIONAL CONTROL VALVE, LINE (88) - ACCESSORIES
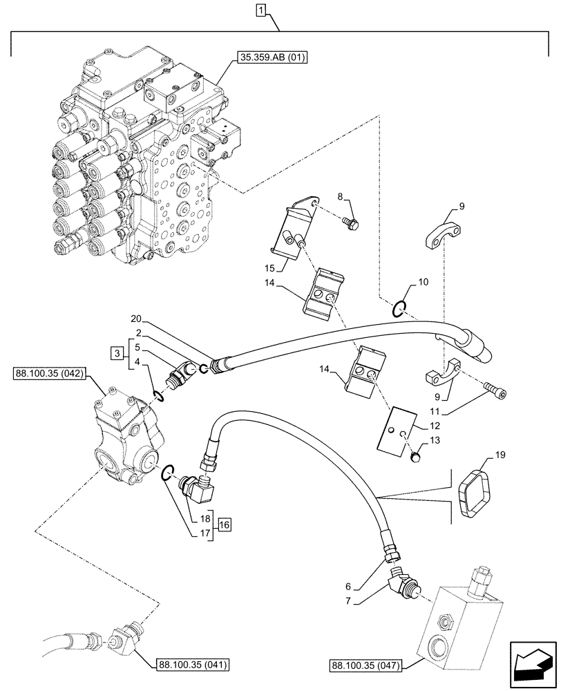
3
19
16
88.100.35 (042)
4
8
9
10
11
88.100.35 (041)
7
9
6
17
5
1
14
13
14
88.100.35 (047)
15
2
20
12
35.359.ab (01)
18
FIT
1:1
100%

Артикул

Название

Примечание

Количество

1

KG1NP124-00

CONSTRUCTION DIA

Multi-Purpose with 3 Way Valve Kit, Incl 2 - 20

1шт.

To See Full DIA KIT Composition Look for all the Figures Where the DIA KIT P/N Is Shown

1шт.

2

KHJ1360

O-RING,0.07" Thk x 0.739" ID

1шт.

3

KHJ14700

ELBOW

ASSY, Incl 4, 5

1шт.

4

154523A1

O-RING

1шт.

5

NSS

NOT SOLD SEPARAT

90° Fitting, Incl in 3

1шт.

6

KHJ34600

HYDRAULIC HOSE

12mm ID x 670mm

1шт.

7

KHJ2243

ELBOW

G3/4" x G1/2"

1шт.

8

166352A1

BOLT

M12 x 30mm

2шт.

9

153458A1

FLANGE

2шт.

10

155210A1

O-RING

1шт.

11

862-10030

HEX SOC SCREW,M10 x 30mm, Cl 12.9

4шт.

12

KRH10210

PLATE

1шт.

13

166347A1

BOLT,Sems, M10 x 30mm

2шт.

14

KLJ10730

COLLAR CLAMP

2шт.

15

KNJ18430

BRACKET

1шт.

16

157936A1

ELBOW

ASSY, G3/4" x G1/2", Incl 17, 18

1шт.

17

154503A1

O-RING

1шт.

18

NSS

NOT SOLD SEPARAT

90° Fitting, Incl in16

1шт.

19

150071A1

MOUNTING CLIP

380mm

9шт.

20

KNJ15050

HYDRAULIC HOSE

15mm ID x 1040mm

1шт.

Выбрано товаров: 0