Запчасти Case CX130D (88.100.35[056]) - DIA KIT, HAMMER CIRCUIT, HIGH FLOW, W/ ELECTRICAL PROPORTIONAL CONTROL, SOLENOID VALVE, LINE (88) - ACCESSORIES

Схема запчастей Case CX130D - (88.100.35[056]) - DIA KIT, HAMMER CIRCUIT, HIGH FLOW, W/ ELECTRICAL PROPORTIONAL CONTROL, SOLENOID VALVE, LINE (88) - ACCESSORIES
5
35.359.ab (01)
7
2
6
88.100.35 (053)
88.100.35 (046)
3
4
8
4
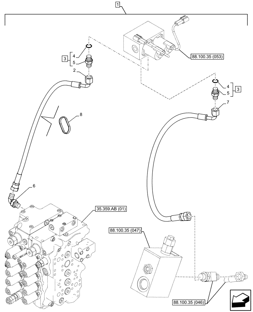
1
5
88.100.35 (047)
3
FIT
1:1
100%

Артикул

Название

Примечание

Количество

1

KG1NP124-00

CONSTRUCTION DIA

Multi-Purpose with 3 Way Valve Kit, Incl 2 - 8

1шт.

To See Full DIA KIT Composition Look for all the Figures Where the DIA KIT P/N Is Shown

1шт.

2

KHJ18960

HOSE

6mm ID x 3400mm

1шт.

3

152127A1

HYD CONNECTOR,1/4" NPT O-Ring x 1/4" NPT

ASSY, Incl 4, 5

2шт.

4

154467A1

O-RING,10.8mm ID x 2.4mm Width

2шт.

5

NSS

NOT SOLD SEPARAT

Fitting ,Incl in 3

2шт.

6

KHJ28580

ELBOW

1шт.

7

KHJ2581

HOSE,6.3 mm ID x 3100.00 mm

6mm ID x 3100mm

1шт.

8

150498A1

MOUNTING CLIP

300mm

5шт.

Выбрано товаров: 9