Запчасти Case CX130D LC (35.360.AJ[08]) - VAR - 461871 - HAMMER, SHEARS, SOLENOID VALVE, LINES, W/ ELECTRICAL PROPORTIONAL CONTROL (35) - HYDRAULIC SYSTEMS

Схема запчастей Case CX130D LC - (35.360.AJ[08]) - VAR - 461871 - HAMMER, SHEARS, SOLENOID VALVE, LINES, W/ ELECTRICAL PROPORTIONAL CONTROL (35) - HYDRAULIC SYSTEMS
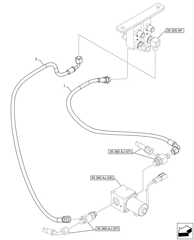
1
2
35.355.ap
35.360.aj (05)
35.360.aj (07)
35.360.aj (07)
FIT
1:1
100%

Артикул

Название

Примечание

Количество

1

KHJ2195

HOSE

6mm ID x 900mm

1шт.

2

KHJ2089

HOSE,6.3 mm ID x 900.00 mm

6mm ID x 680mm

1шт.

Выбрано товаров: 2