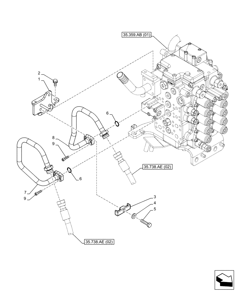
Запчасти Case CX130D LC (35.738.AE[01]) - BUCKET CYLINDER, LINES (35) - HYDRAULIC SYSTEMS

Схема запчастей Case CX130D LC - (35.738.AE[01]) - BUCKET CYLINDER, LINES (35) - HYDRAULIC SYSTEMS
6
8
9
6
3
35.738.ae (02)
4
2
1
9
35.738.ae (02)
7
5
35.359.ab (01)
FIT
1:1
100%

Артикул

Название

Примечание

Количество

1

KNJ22520

BRACKET

1шт.

2

166052A1

BOLT

M10 x 25mm

2шт.

3

KMJ0835

PIPE CLAMP

1шт.

4

150811A1

WASHER

1шт.

5

827-12050

BOLT,Hex, M12 x 1.75 x 50mm, Cl 10.9

M12 x 50mm

1шт.

6

161096A1

O-RING

2шт.

7

KNJ22820

PIPE

1шт.

8

KNJ22790

PIPE

1шт.

9

862-8030

HEX SOC SCREW,M8 x 30mm, Cl 12.9

8шт.

Выбрано товаров: 9