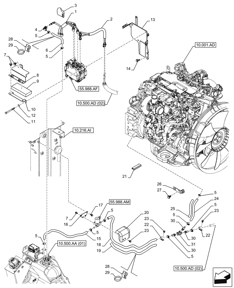
Запчасти Case CX130D LC (10.500.AD[01]) - DEF/ADBLUE™ TANK, SUPPLY LINES (10) - ENGINE

Схема запчастей Case CX130D LC - (10.500.AD[01]) - DEF/ADBLUE™ TANK, SUPPLY LINES (10) - ENGINE
11
5
17
10
23
28
18
22
5
9
3
30
23
29
21
15
19
2
5
5
24
30
10.500.aa (01)
31
10.500.ad (02)
27
20
23
14
55.988.af
10.500.ad (02)
5
5
22
5
6
29
55.988.am
12
16
10.001.ad
28
4
1
7
10.216.ai
13
5
7
25
30
26
8
5
FIT
1:1
100%

Артикул

Название

Примечание

Количество

1

KNH11540

PIPE

1шт.

2

KNH12690

PIPE

1шт.

3

KHH16610

INSULATION

1шт.

4

KHH15490

ELBOW

1шт.

5

KHH16800

BAND

9шт.

6

KRH16920

HOSE

1шт.

7

166345A1

BOLT

M8 x 16mm

5шт.

8

KNH11910

BRACKET

1шт.

9

KTN14670

INSULATION

1шт.

10

KRH16890

BRACKET

1шт.

11

102R008Y090R

BOLT

M8 x 90mm

3шт.

12

895-11008

WASHER,9mm ID x 16mm OD x 1.6mm Thk

3шт.

13

KNH13270

BRACKET

1шт.

14

166352A1

BOLT

M12 x 30mm

2шт.

15

KHH16120

HOSE

11mm ID x 600mm

1шт.

16

KBH12870

BRACKET

1шт.

17

166350A1

BOLT

M8 x 20mm

2шт.

18

KHH18680

HOSE

11mm ID x 1250mm

1шт.

19

KHR21050

PLASTIC-RUBBER TUBE

1шт.

20

KNH13080

COVER

1шт.

21

KAJ2846

CUSHION

110mm

1шт.

22

162149A1

COLLAR

2шт.

23

167518A1

BOLT

M8 x 16mm

4шт.

24

KHH16810

HOSE

11mm ID x 450mm

1шт.

25

KHR4065

PLASTIC-RUBBER TUBE

19mm ID x 350mm

1шт.

26

KNH11940

BRACKET

1шт.

27

152718A1

BOLT,Spcl, Hex Wshr, M12 x 25mm, Cl 10.9

2шт.

28

KHR10220

MOUNTING CLIP

1шт.

29

150496A1

MOUNTING CLIP

250mm

1шт.

30

KRR21150

NIPPLE

3/8"

3шт.

31

152137A1

TEE

3/8"

1шт.

Выбрано товаров: 31