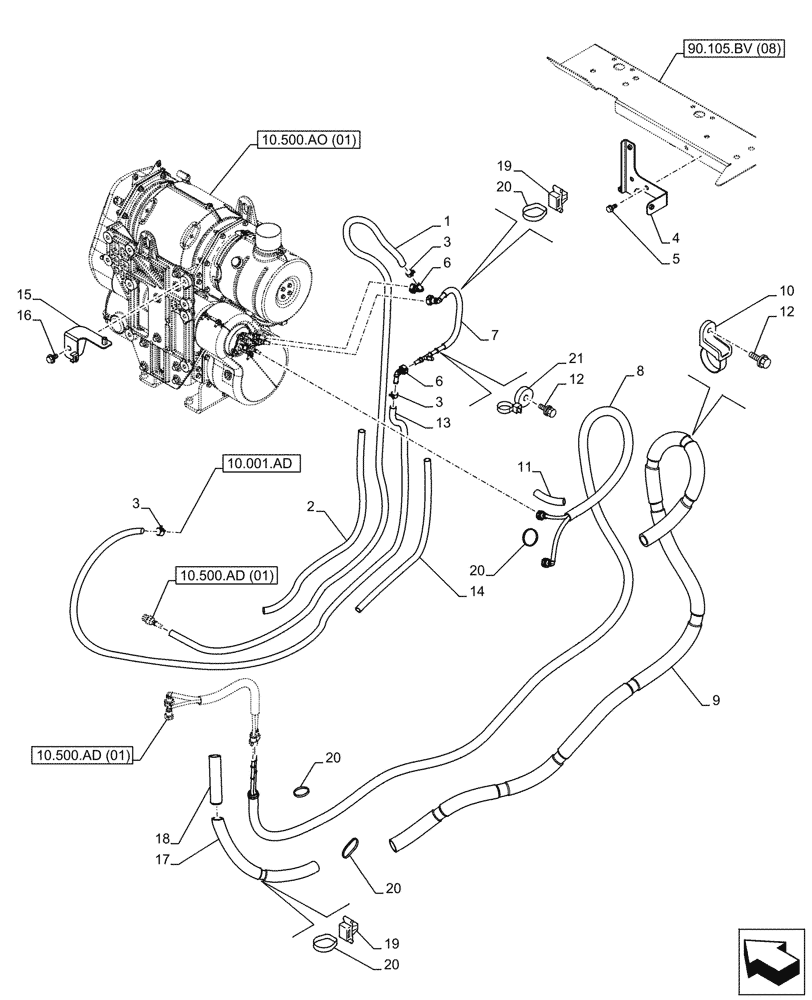
Запчасти Case CX130D LC (10.500.AD[02]) - DEF/ADBLUE™ TANK, SUPPLY LINES (10) - ENGINE

Схема запчастей Case CX130D LC - (10.500.AD[02]) - DEF/ADBLUE™ TANK, SUPPLY LINES (10) - ENGINE
3
4
17
3
10.500.ad (01)
12
6
90.105.bv (08)
21
20
8
20
14
2
20
10
13
11
5
9
12
18
19
6
20
1
20
7
10.500.ao (01)
15
16
10.001.ad
3
10.500.ad (01)
19
FIT
1:1
100%

Артикул

Название

Примечание

Количество

1

KHH15460

HOSE

11mm ID x 2300mm

1шт.

2

KHR35600

PROTECTIVE SLEEVE

19mm ID x 2200mm

1шт.

3

KHH16800

BAND

3шт.

4

KNH12700

BRACKET

1шт.

5

166052A1

BOLT

M10 x 25mm

2шт.

6

KHH15490

ELBOW

2шт.

7

KNH12770

PIPE

1шт.

8

KNH12780

PIPE

1шт.

9

KHH17970

INSULATION

2шт.

10

KHR2581

CLAMP

6шт.

11

KHH17010

INSULATION

1шт.

12

KHJ1215

BOLT,Spcl

M8 x 25mm

9шт.

13

KHH17480

HOSE

11mm ID x 2150mm

1шт.

14

KHR11730

FLEXIBLE SHEATH

19mm ID X 2100mm

1шт.

15

KNH11930

BRACKET

1шт.

16

152718A1

BOLT,Spcl, Hex Wshr, M12 x 25mm, Cl 10.9

1шт.

17

KHH18040

INSULATION

1шт.

18

KHH17040

INSULATION

1шт.

19

KHR10220

MOUNTING CLIP

1шт.

20

150496A1

MOUNTING CLIP

250mm

1шт.

21

KHR2584

CLAMP

3шт.

Выбрано товаров: 21