Запчасти Case CX145D SR LC (35.359.060) - VAR - 461863 - CONTROL VALVE, MOUNTING, BRACKET, CLAMSHELL BUCKET, ROTATION, W/ ELECTRICAL PROPORTIONAL CONTROL (35) - HYDRAULIC SYSTEMS

Схема запчастей Case CX145D SR LC - (35.359.060) - VAR - 461863 - CONTROL VALVE, MOUNTING, BRACKET, CLAMSHELL BUCKET, ROTATION, W/ ELECTRICAL PROPORTIONAL CONTROL (35) - HYDRAULIC SYSTEMS
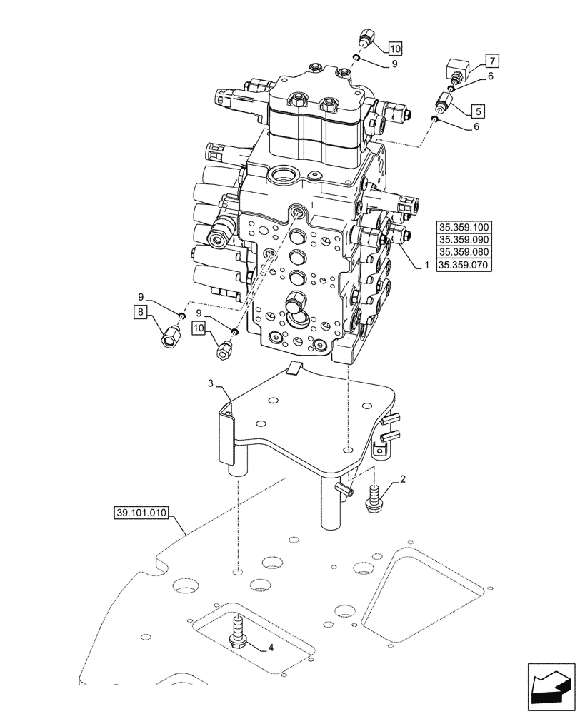
39.101.010
9
6
7
2
4
8
5
10
10
9
6
9
1
3
35.359.090
35.359.080
35.359.070
35.359.100
FIT
1:1
100%

Артикул

Название

Примечание

Количество

1

KMJ23140

CONTROL VALVE

1шт.

2

166373A1

BOLT,Sems, M16 x 40mm

4шт.

3

KMJ22161

BRACKET

4шт.

4

165929A1

BOLT,Sems, M16

1шт.

5

KHJ1212

STUD

ASSY, G3/8" x G1/4", Incl 6

1шт.

6

150960A1

O-RING,10.8mm ID x 2.4mm Width

2шт.

7

KHJ31800

ELBOW

ASSY, G1/4" x M18, Incl 6

1шт.

8

KHJ18190

STUD

ASSY, G3/8" x M18, Incl 9

1шт.

9

150031A1

O-RING,10mm ID x 24mm OD

3шт.

10

168855A1

STUD

ASSY, G3/8" x G1/4", Incl 9

2шт.

Выбрано товаров: 0