Запчасти Case CX145D SR LC (35.359.100) - VAR - 461863 - CONTROL VALVE, CLAMSHELL BUCKET, ROTATION, W/ ELECTRICAL PROPORTIONAL CONTROL, COMPONENTS (35) - HYDRAULIC SYSTEMS

Схема запчастей Case CX145D SR LC - (35.359.100) - VAR - 461863 - CONTROL VALVE, CLAMSHELL BUCKET, ROTATION, W/ ELECTRICAL PROPORTIONAL CONTROL, COMPONENTS (35) - HYDRAULIC SYSTEMS
35.359.070
9
2
5
5
14
7
10
8
11
3
6
4
12
13
6
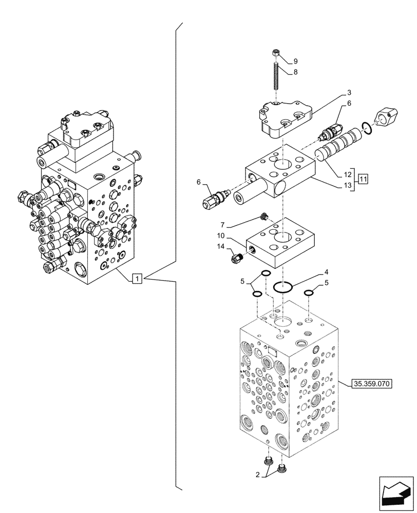
1
FIT
1:1
100%

Артикул

Название

Примечание

Количество

1

KMJ23140

CONTROL VALVE

ASSY, Incl 2 - 14

1шт.

See also figure 35.359.070, 35.359.080, 35.359.090

1шт.

2

163369A1

PLUG

1шт.

3

LT002550

HOUSING

1шт.

4

LE027200

O-RING

1шт.

5

LE012520

O-RING

3шт.

6

LJ01007

VALVE, PRESSURE RELI

2шт.

7

163370A1

PLUG

1шт.

8

LB011900

TIE-ROD

4шт.

9

LUC0094

SPECIAL NUT

4шт.

10

LJ014770

CONNECTING BLOCK

1шт.

11

LJ014760

HYD VALVE SECTION

ASSY, Incl 12, 13

1шт.

12

NSS

NOT SOLD SEPARAT

Spool incl in 1

1шт.

13

NSS

NOT SOLD SEPARAT

Body incl in 1

1шт.

14

LJ014780

CHECK VALVE

1шт.

Выбрано товаров: 0