Запчасти Case CX145D SR LC (00.000.50) - PICTORIAL INDEX - CAB CLIMATE CONTROL (00) - GENERAL & PICTORIAL INDEX

Схема запчастей Case CX145D SR LC - (00.000.50) - PICTORIAL INDEX - CAB CLIMATE CONTROL (00) - GENERAL & PICTORIAL INDEX
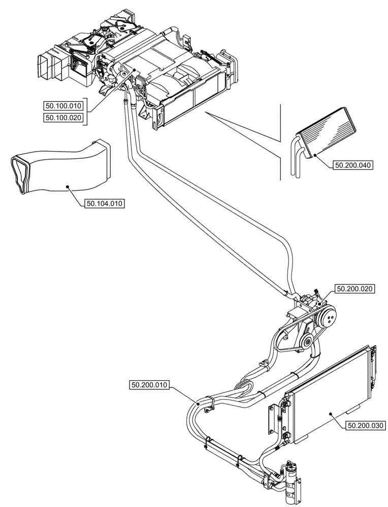
50.200.030
50.100.020
50.200.010
50.200.020
50.100.010
50.104.010
50.200.040
FIT
1:1
100%