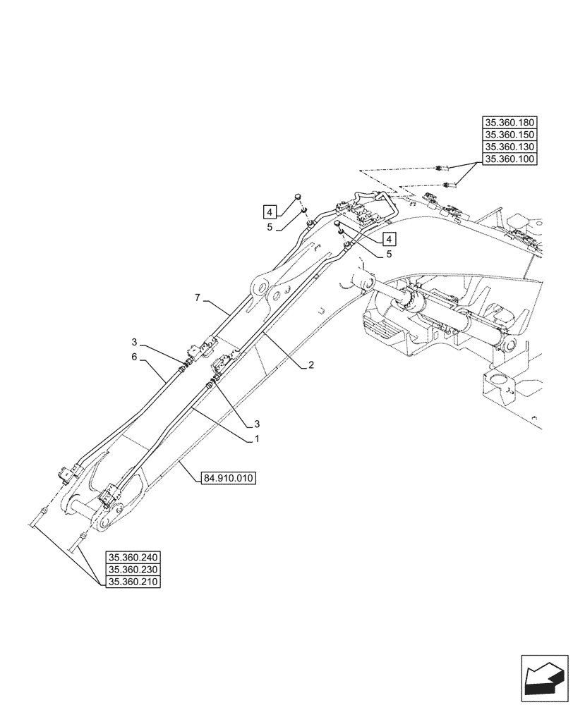
Запчасти Case CX145D SR LC W/BLADE (35.360.250) - VAR - 461561, 461865, 461868, 461869, 461871 - BOOM, LINE, HAMMER, SHEARS, HIGH FLOW (35) - HYDRAULIC SYSTEMS

Схема запчастей Case CX145D SR LC W/BLADE - (35.360.250) - VAR - 461561, 461865, 461868, 461869, 461871 - BOOM, LINE, HAMMER, SHEARS, HIGH FLOW (35) - HYDRAULIC SYSTEMS
35.360.130
5
5
2
3
4
3
6
1
7
4
35.360.180
35.360.210
35.360.240
35.360.150
35.360.230
35.360.100
84.910.010
FIT
1:1
100%

Артикул

Название

Примечание

Количество

1

KNV22940

PIPE

1шт.

2

KMV23510

PIPE

1шт.

3

KHJ1360

O-RING,0.07" Thk x 0.739" ID

2шт.

4

152924A1

PLUG

ASSY, G3/4", Incl 5

2шт.

5

150542A1

O-RING

2шт.

6

KNV22950

PIPE

1шт.

7

KMV23520

PIPE

1шт.

Выбрано товаров: 7