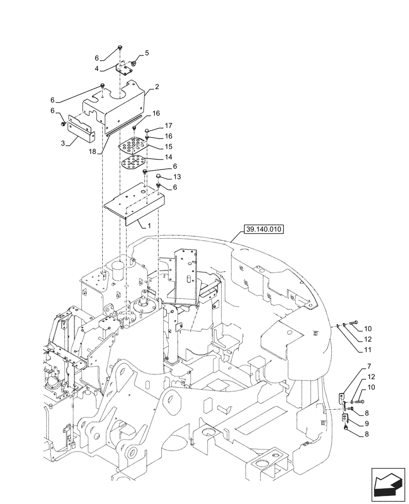
Запчасти Case CX145D SR LC W/BLADE (90.105.030) - HOUSING & COVERS (90) - PLATFORM, CAB, BODYWORK AND DECALS

Схема запчастей Case CX145D SR LC W/BLADE - (90.105.030) - HOUSING & COVERS (90) - PLATFORM, CAB, BODYWORK AND DECALS
39.140.010
15
9
16
6
8
10
7
8
1
16
11
4
5
6
12
3
18
13
6
12
10
17
2
14
6
6
FIT
1:1
100%

Артикул

Название

Примечание

Количество

1

KMN17970

COVER

1шт.

2

KMN17980

COVER

1шт.

3

KMN16690

COVER

1шт.

4

KMN18510

BRACKET

1шт.

5

KHN48140

BOLT

1шт.

6

KHN39331

BOLT

14шт.

7

KMN18241

BRACKET

1шт.

8

166352A1

BOLT

4шт.

9

KHN46681

BRACKET

1шт.

10

159091A1

STOP

2шт.

11

895-11010

WASHER,11mm ID x 20mm OD x 2mm Thk

1шт.

12

829-1410

NUT,M10 x 1.5, Cl 10.9

2шт.

13

167795A1

CAP

2шт.

14

KHN32810

PLATE

3шт.

15

KHN32800B1

COVER

3шт.

16

KHN13540

BOLT,Spcl

12шт.

17

168703A1

CAP

2шт.

18

157911A1

SEALING STRIP

1шт.

Выбрано товаров: 18