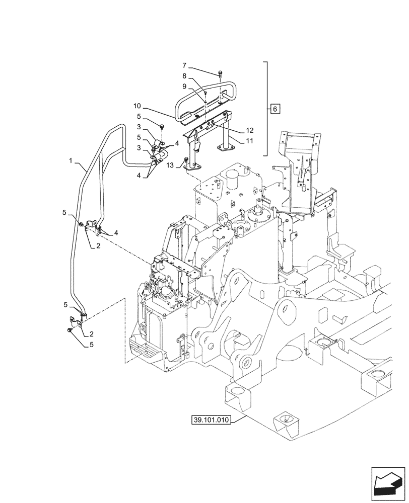
Запчасти Case CX145D SR LC W/BLADE (90.118.020) - HANDRAIL (90) - PLATFORM, CAB, BODYWORK AND DECALS

Схема запчастей Case CX145D SR LC W/BLADE - (90.118.020) - HANDRAIL (90) - PLATFORM, CAB, BODYWORK AND DECALS
39.101.010
7
10
3
3
11
13
4
4
5
8
6
5
2
1
5
5
5
9
2
12
4
FIT
1:1
100%

Артикул

Название

Примечание

Количество

1

KMN18090

GUARD

1шт.

2

KHN48600

CLAMP

2шт.

3

KHN12690

COLLAR

2шт.

4

KHN12700

COLLAR

8шт.

5

KHN39331

BOLT

8шт.

6

KMN18100

GUARD

ASSY, Incl 7 - 12

1шт.

7

105R012Y045R

BOLT

2шт.

8

102R008A016N

BOLT

4шт.

9

182-008AN

WASHER

4шт.

10

KMN18180

STAY

1шт.

11

KMN18190

STAY

1шт.

12

KHN48960

HINGE

1шт.

13

166352A1

BOLT

6шт.

Выбрано товаров: 13