Запчасти Case CX145D SR LC W/BLADE (05.100.03[02]) - CAPACITIES (05) - SERVICE & MAINTENANCE

Схема запчастей Case CX145D SR LC W/BLADE - (05.100.03[02]) - CAPACITIES (05) - SERVICE & MAINTENANCE
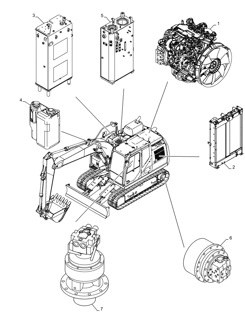
1
2
7
5
4
6
3
FIT
1:1
100%

Артикул

Название

Примечание

Количество

1

-

Engine (Qty in Gallons)

4.5шт.

Recommended Product: AKCELA UNITEK 10W-40, MAT3521, SAE10W40, ACEA E9, API CJ-4

1шт.

2

-

Cooling System (Qty in Gallons)

4.4шт.

Recommended Product: AKCELA ACTIFULL™ OT EXTENDED LIFE COOLANT, MAT3624, ASTM D6210

1шт.

3

-

Fuel Tank (Qty in Gallons)

52.8шт.

Recommended Product: AKCELA HYDRAULIC EXCAVATOR FLUID, EN 590

1шт.

4

-

Urea System (Qty in Gallons)

11.9шт.

Recommended Product: ISO 22241-1

1шт.

5

-

Hydraulic System, Whole System (Qty in Gallons)

41.7шт.

Recommended Product: AKCELA HYDRAULIC ESCAVATOR FLUID LL46, ISO 11158

1шт.

5

-

Hydraulic System, Tank (Qty in Gallons)

19.8шт.

Recommended Product: AKCELA HYDRAULIC ESCAVATOR FLUID LL46, ISO 11158

1шт.

6

-

Travel Reduction Unit (Qty in Gallons) for Reduction Gear

1шт.

Recommended Product: AKCELA GEAR 135 H EP 80W-90, SAE 80W/90, API GL-5

1шт.

7

-

Swing Unit (Qty in Gallons)

1шт.

Recommended Product: AKCELA GEAR 135 H EP 80W-90, SAE 80W/90, API GL-5

1шт.

Выбрано товаров: 16