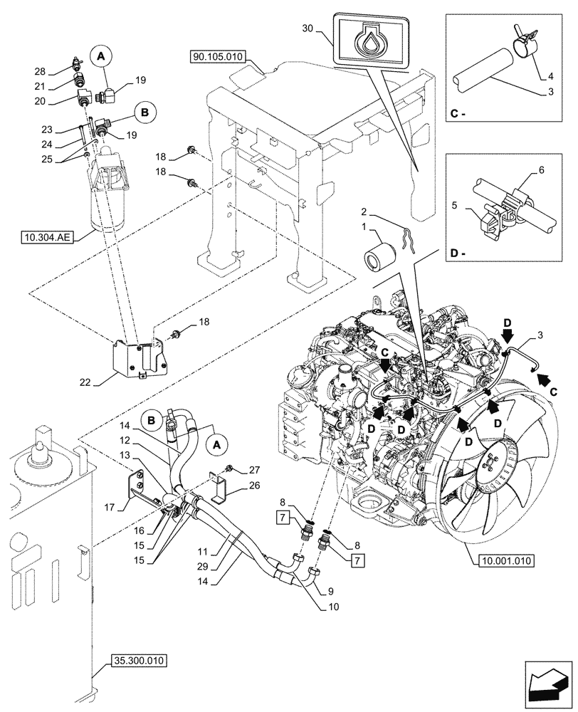
Запчасти Case CX145D SR LC W/BLADE (10.304.020) - VAR - 488034 - ENGINE OIL FILTER, DRAIN LINE (10) - ENGINE

Схема запчастей Case CX145D SR LC W/BLADE - (10.304.020) - VAR - 488034 - ENGINE OIL FILTER, DRAIN LINE (10) - ENGINE
18
4
25
9
23
30
15
21
17
8
18
14
7
8
3
22
11
3
15
2
19
19
27
7
24
6
12
5
20
29
16
26
18
13
1
10
14
28
90.105.010
35.300.010
10.304.ae
10.001.010
FIT
1:1
100%

Артикул

Название

Примечание

Количество

1

KHH14570

CAP

6шт.

2

KHH14600

LOCK PIN

6шт.

3

KHH21690

HOSE

L=1200mm

1шт.

4

KHH14900

CLIP

2шт.

5

KHR10220

MOUNTING CLIP

5шт.

6

KHH18520

CABLE TIE

5шт.

7

151654A1

HYD CONNECTOR,3/4" NPT O-Ring x 3/4" NPT

ASSY, G3/4" x G3/4", Incl 8

2шт.

8

150542A1

O-RING

2шт.

9

KMH14210

HYDRAULIC HOSE

From Engine to Oil Filter

1шт.

10

KMH14220

HYDRAULIC HOSE

From Engine to Oil Filter

1шт.

11

157862A1

PLASTIC-RUBBER TUBE

28mm ID x 400mm

1шт.

12

157863A1

PROTECTIVE SLEEVE

28mm ID x 500mm

1шт.

13

KMR14160

TUBE

1шт.

14

150992A1

TUBE,28 mm ID, 34 mm OD, 300 mm Length

28mm ID x 300mm

2шт.

15

KHJ2022

HOSE CLAMP

3шт.

16

150071A1

MOUNTING CLIP

380mm

2шт.

17

KMH14230

BRACKET

1шт.

18

KHN39331

BOLT

M12 x 25mm

5шт.

19

KHH14660

ELBOW

G3/4" x G3/4"

2шт.

20

KHH17360

TEE

G3/4"

1шт.

21

KHH18611

ADAPTER

1шт.

22

KMH14240

BRACKET

1шт.

23

102R008Y110R

BOLT

M8 x 110mm

2шт.

24

KHH0515

BOLT

M8 x 140mm

2шт.

25

153081A1

WASHER

4шт.

26

KHH13550

BRACKET

1шт.

27

166052A1

BOLT

M10 x 25mm

1шт.

28

KBH14721

COCK

1шт.

29

150496A1

MOUNTING CLIP

250mm

2шт.

30

KHP25990

DECAL

Sampling Port for Engine Oil

1шт.

Выбрано товаров: 30