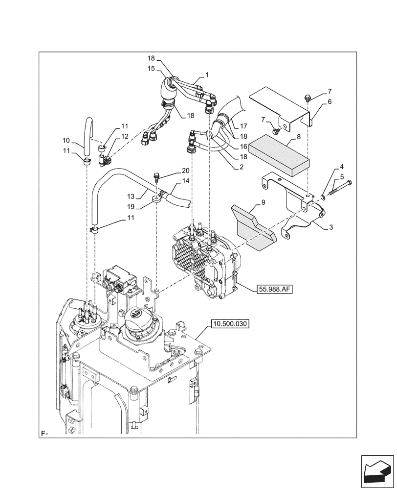
Запчасти Case CX145D SR LC W/BLADE (10.500.050) - DEF/ADBLUE™ LINES (10) - ENGINE

Схема запчастей Case CX145D SR LC W/BLADE - (10.500.050) - DEF/ADBLUE™ LINES (10) - ENGINE
55.988.af
13
9
17
14
20
5
18
2
11
18
6
7
12
1
18
16
8
15
4
7
18
11
19
11
10
3
10.500.030
FIT
1:1
100%

Артикул

Название

Примечание

Количество

1

KRH21020

PIPE

1шт.

2

KMH13770

PIPE

1шт.

3

KMH14260

COVER

1шт.

4

102R008Y090R

BOLT

M8 x 90mm

1шт.

5

895-11008

WASHER,9mm ID x 16mm OD x 1.6mm Thk

1шт.

6

KMH14270

BRACKET

1шт.

7

166345A1

BOLT

M8 x 16mm

3шт.

8

KTN14670

INSULATION

1шт.

9

KMH14280

INSULATION

1шт.

10

KRH21670

HOSE

1шт.

11

KHH16800

BAND

3шт.

12

KHH15490

ELBOW

1шт.

13

KMH14290

HOSE

1шт.

14

KHR13370

PLASTIC-RUBBER TUBE

19mm ID x 700mm

1шт.

15

KHH17960

INSULATION

185mm ID x 130mm

1шт.

16

KHH21070

INSULATION

1шт.

17

KHH19620

INSULATION

1шт.

18

150496A1

MOUNTING CLIP

250mm

5шт.

19

KHR2584

CLAMP

5шт.

20

KHJ1215

BOLT,Spcl

M8 x 25mm

7шт.

Выбрано товаров: 20