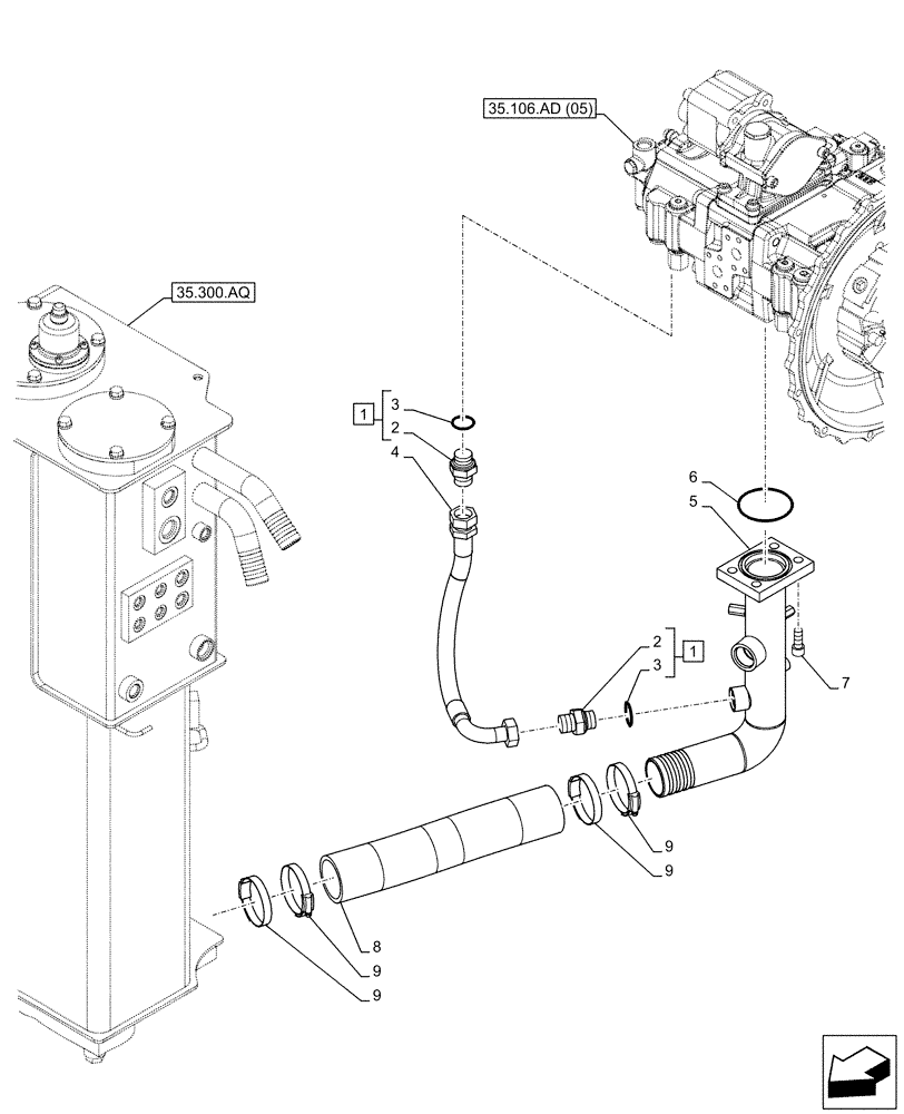
Запчасти Case CX160D LC (35.106.AO[01]) - VARIABLE DELIVERY HYDRAULIC PUMP, SUCTION PIPE (35) - HYDRAULIC SYSTEMS

Схема запчастей Case CX160D LC - (35.106.AO[01]) - VARIABLE DELIVERY HYDRAULIC PUMP, SUCTION PIPE (35) - HYDRAULIC SYSTEMS
4
2
1
9
3
2
1
9
35.300.aq
35.106.ad (05)
6
8
9
3
5
9
7
FIT
1:1
100%

Артикул

Название

Примечание

Количество

1

151654A1

HYD CONNECTOR,3/4" NPT O-Ring x 3/4" NPT

ASSY, G3/4" x G3/4", Incl 2 - 3

2шт.

2

NSS

NOT SOLD SEPARAT

Fitting, Incl in 1

2шт.

3

150542A1

O-RING

2шт.

4

KAJ3791

HYDRAULIC HOSE,19.00 mm ID x 430.00 mm

1шт.

5

KNJ22150

PIPE

1шт.

6

KRJ1747

O-RING

1шт.

7

862-12030

HEX SOC SCREW,M12 x 30mm, Cl 12.9

4шт.

8

KNJ0919

HOSE

60.5mm ID x 370mm

1шт.

9

150893A1

CLAMP

4шт.

Выбрано товаров: 9