Запчасти Case CX160D LC (35.106.AO[04]) - VAR - 461863 - VARIABLE DELIVERY HYDRAULIC PUMP, LINES, CLAMSHELL BUCKET, ROTATION, W/ ELECTRICAL PROPORTIONAL CONTROL (35) - HYDRAULIC SYSTEMS

Схема запчастей Case CX160D LC - (35.106.AO[04]) - VAR - 461863 - VARIABLE DELIVERY HYDRAULIC PUMP, LINES, CLAMSHELL BUCKET, ROTATION, W/ ELECTRICAL PROPORTIONAL CONTROL (35) - HYDRAULIC SYSTEMS
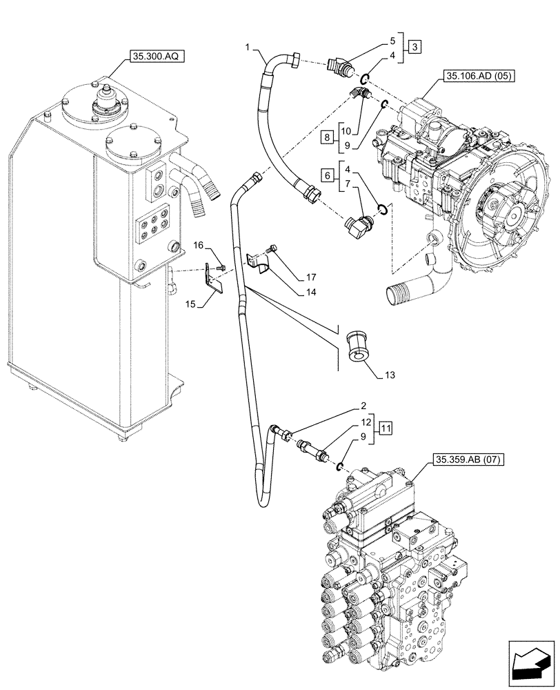
2
8
16
1
7
35.106.ad (05)
15
4
9
11
4
17
35.300.aq
13
3
35.359.ab (07)
6
5
12
14
9
10
FIT
1:1
100%

Артикул

Название

Примечание

Количество

1

KSJ2723

HYDRAULIC HOSE,25.40 mm ID x 530.00 mm

25mm ID x 530mm

1шт.

2

KNJ13150

HOSE ASSY.

12mm ID x 1250mm

1шт.

3

157587A1

ELBOW

ASSY, G1" x G1", Incl 4 (Qty 1), 5

1шт.

4

152211A1

O-RING

2шт.

5

NSS

NOT SOLD SEPARAT

90° Fitting, Incl in 3

1шт.

6

157581A1

ELBOW,90 Degree, 1" O-Ring x 1"

ASSY, G1" x G1", Incl 4 (Qty 1), 7

1шт.

7

NSS

NOT SOLD SEPARAT

90° Fitting, Incl in 6

1шт.

8

KHJ28600

ELBOW

ASSY, G1/2" x G1/2", Incl 9 (Qty 1), 10

1шт.

9

150539A1

O-RING

2шт.

10

NSS

NOT SOLD SEPARAT

90°Fitting, Incl in 8

1шт.

11

KAJ2432

ADAPTER

ASSY, G1/2" x G1/2", Incl 9 (Qty 1), 12

1шт.

12

NSS

NOT SOLD SEPARAT

Fitting, Incl in 11

1шт.

13

KHJ2021

HOSE CLAMP

1шт.

14

KHJ2025

CLAMP

1шт.

15

KNJ20610

BRACKET

1шт.

16

166350A1

BOLT

M8 X 20mm

2шт.

17

166052A1

BOLT

M10 X 25mm

1шт.

Выбрано товаров: 0