Запчасти Case CX160D LC (35.353.AD[03]) - TRAVEL MOTOR & REDUCTION GEAR, COMPONENTS (35) - HYDRAULIC SYSTEMS

Схема запчастей Case CX160D LC - (35.353.AD[03]) - TRAVEL MOTOR & REDUCTION GEAR, COMPONENTS (35) - HYDRAULIC SYSTEMS
12
2
17
14
3
22
8
18
10
3
21
4
20
2
19
9
35.353.ag
3
13
11
6
5
2
16
4
4
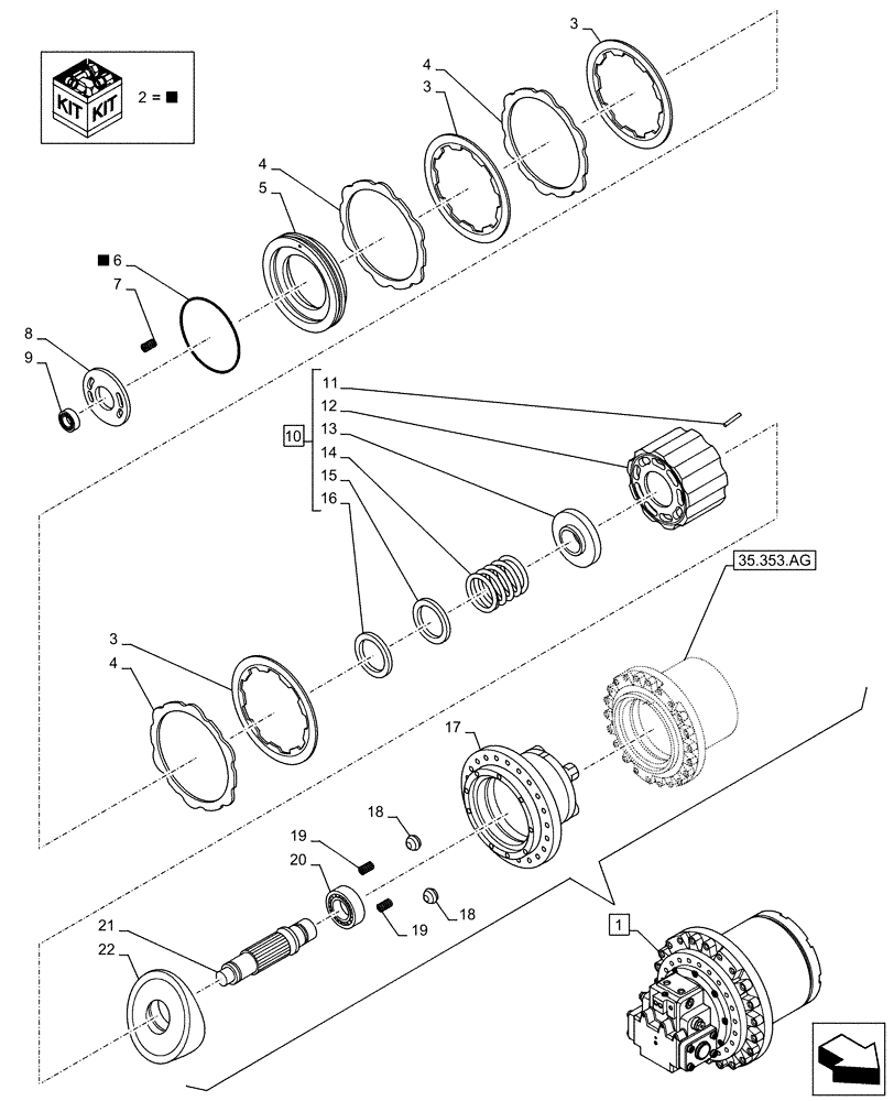
1
15
19
7
18
FIT
1:1
100%

Артикул

Название

Примечание

Количество

1

KLA11000

HYDRAULIC MOTOR

ASSY, Incl 2 - 22

1шт.

See also Figure 35.353.AB(01), 35.353.AB(02), 35.353.AD(01), 35.353.AD(02), 35.353.AG

1шт.

2

LZ011370

KIT

1шт.

See also Figure 35.353.AB(02), 35.353.AD(02)

1шт.

3

165696A1

PLATE

2шт.

4

LR00582

PLATE

3шт.

5

LJ014600

PISTON

1шт.

6

NSS

NOT SOLD SEPARAT

O-Ring, Incl in 1

1шт.

7

156090A1

SPRING

8шт.

8

LR015030

PLATE

1шт.

9

LB00547

BEARING,35mm ID x 72mm OD x 17mm W

1шт.

10

LS003330

BARREL

ASSY, Incl 11 - 16

1шт.

11

155631A1

COTTER PIN

3шт.

12

NSS

NOT SOLD SEPARAT

Cyl. Block, Incl in 10

1шт.

13

160203A1

SPRING SEAT

1шт.

14

160590A1

SPRING

1шт.

15

158113A1

COLLAR

1шт.

16

160103A1

RING, SNAP

1шт.

17

LZ011550

KIT

Case, Incl in 1

1шт.

18

155950A1

BALL

2шт.

19

160592A1

SPRING

2шт.

20

LB00546

BEARING,50mm ID x 90mm OD x 20mm W

1шт.

21

LB00545

SHAFT

1шт.

22

LR015970

PLATE

1шт.

Выбрано товаров: 24