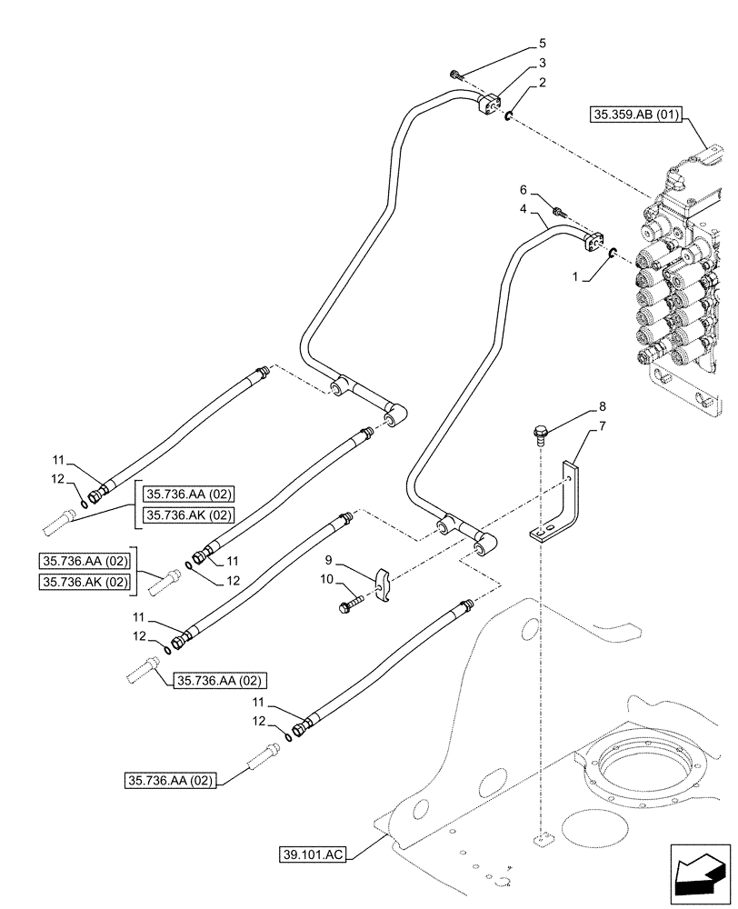
Запчасти Case CX160D LC (35.736.AC) - LIFT CYLINDER, BOOM, LINE (35) - HYDRAULIC SYSTEMS

Схема запчастей Case CX160D LC - (35.736.AC) - LIFT CYLINDER, BOOM, LINE (35) - HYDRAULIC SYSTEMS
4
12
11
35.736.ak (02)
35.736.aa (02)
8
1
3
9
11
5
35.359.ab (01)
35.736.aa (02)
35.736.aa (02)
12
10
7
12
35.736.aa (02)
11
6
35.736.ak (02)
11
2
39.101.ac
12
FIT
1:1
100%

Артикул

Название

Примечание

Количество

1

161096A1

O-RING

1шт.

2

161097A1

O-RING

1шт.

3

KLJ10780

HYD TUBE,20.8 mm ID x 27.2 mm OD

1шт.

4

KLJ10770

HYD TUBE,16.1 mm ID x 21.7 mm OD

1шт.

5

862-10045

HEX SOC SCREW,M10 x 45mm, Cl 12.9

4шт.

6

862-8030

HEX SOC SCREW,M8 x 30mm, Cl 12.9

4шт.

7

KRJ10900

SUPPORT

1шт.

8

166352A1

BOLT

M12 x 30mm

2шт.

9

KNJ2519

CLAMP

1шт.

10

167183A1

BOLT,Sems, M12 x 60mm, Cl 10.9

1шт.

11

KLJ11700

HOSE ASSY.

15mm ID x 760mm

4шт.

12

KHJ2587

O-RING

4шт.

Выбрано товаров: 12