Запчасти Case CX160D LC (00.000.50) - PICTORIAL INDEX - CAB CLIMATE CONTROL (00) - GENERAL & PICTORIAL INDEX

Схема запчастей Case CX160D LC - (00.000.50) - PICTORIAL INDEX - CAB CLIMATE CONTROL (00) - GENERAL & PICTORIAL INDEX
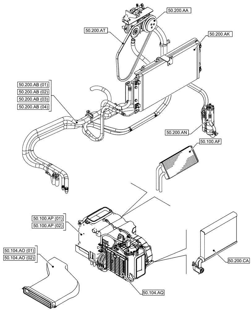
50.200.ak
50.100.ap (01)
50.104.ao (02)
50.200.ab (04)
50.200.ab (03)
50.100.af
50.200.aa
50.200.ca
50.100.ap (02)
50.104.ao (01)
50.104.aq
50.200.ab (02)
50.200.at
50.200.ab (01)
50.200.an
FIT
1:1
100%