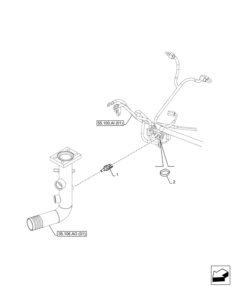
Запчасти Case CX160D LC (55.036.AA) - VARIABLE DELIVERY HYDRAULIC PUMP, TEMPERATURE SENDER (55) - ELECTRICAL SYSTEMS

Схема запчастей Case CX160D LC - (55.036.AA) - VARIABLE DELIVERY HYDRAULIC PUMP, TEMPERATURE SENDER (55) - ELECTRICAL SYSTEMS
1
35.106.ao (01)
2
55.100.ai (01)
FIT
1:1
100%

Артикул

Название

Примечание

Количество

1

KHR2433

SENSOR

Hydraulic Fluid Temperature

1шт.

2

150496A1

MOUNTING CLIP

250mm

1шт.

Выбрано товаров: 0