Запчасти Case CX160D LC (10.202.AB) - AIR CLEANER (10) - ENGINE

Схема запчастей Case CX160D LC - (10.202.AB) - AIR CLEANER (10) - ENGINE
8
4
12
23
13
18
19
17
7
11
90.105.bv (03)
10
6
2
21
14
1
14
16
5
20
10.001.ad
16
9
3
55.014.ac
22
15
14
23
FIT
1:1
100%

Артикул

Название

Примечание

Количество

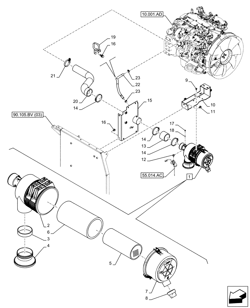
1

KNH11440

AIR CLEANER

ASSY, Incl 2 - 8

1шт.

2

NSS

NOT SOLD SEPARAT

Air Cleaner Cover, Incl in 1

1шт.

3

KMH10180

ADAPTER

1шт.

4

165437A1

CAP

1шт.

5

KMH0830

AIR FILTER

Air Cleaner, Secondary

1шт.

6

KMH0781

AIR FILTER

Air Cleaner, Primary

1шт.

7

KMH0782

COVER

1шт.

8

KBH0924

VALVE

1шт.

9

166350A1

BOLT

M8 x 20mm

4шт.

10

KLH12610

BRACKET

1шт.

11

152718A1

BOLT,Spcl, Hex Wshr, M12 x 25mm, Cl 10.9

8шт.

12

KHH13870

ELBOW UNION

1шт.

13

KLH11940

AIR HOSE

1шт.

14

KHJ26140

HOSE CLAMP

3шт.

15

KLH12600

BRACKET

1шт.

16

KHJ1215

BOLT,Spcl

M8 x 25

1шт.

17

KHH18440

BOLT

M4 x 8mm

2шт.

18

895-11004

WASHER,4.3mm ID x 9mm OD x 0.8mm Thk

2шт.

19

KHR2581

CLAMP

1шт.

20

KNH12790

AIR HOSE

1шт.

21

KHH13980

HOSE CLAMP

1шт.

22

KHH18760

HOSE

750mm

1шт.

23

KHH18770

COLLAR CLAMP

2шт.

Выбрано товаров: 0