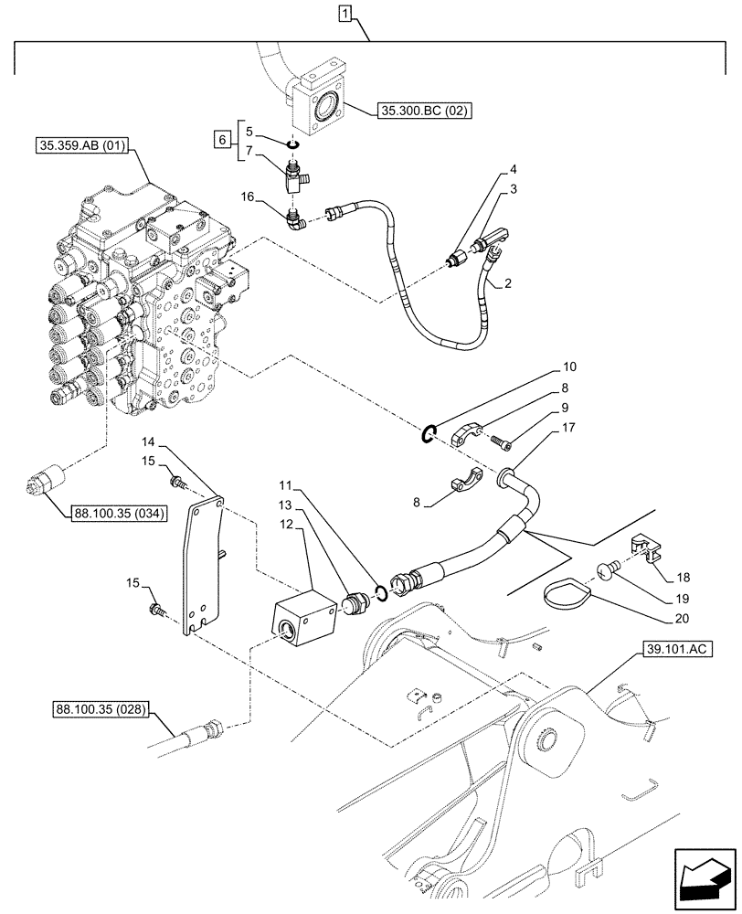
Запчасти Case CX160D LC (88.100.35[030]) - DIA KIT, HAMMER CIRCUIT, W/ ELECTRICAL PROPORTIONAL CONTROL, MANIFOLD VALVE, LINE (88) - ACCESSORIES

Схема запчастей Case CX160D LC - (88.100.35[030]) - DIA KIT, HAMMER CIRCUIT, W/ ELECTRICAL PROPORTIONAL CONTROL, MANIFOLD VALVE, LINE (88) - ACCESSORIES
15
6
8
8
17
10
39.101.ac
15
16
19
3
20
12
88.100.35 (028)
5
13
35.300.bc (02)
11
18
9
7
14
88.100.35 (034)
35.359.ab (01)
4
2
1
FIT
1:1
100%

Артикул

Название

Примечание

Количество

1

KG0LP418-00

CONSTRUCTION DIA

Breaker Circuit Proportional Control Kit, Incl 2 - 20

1шт.

To See Full DIA KIT Composition Look for all the Figures Where the DIA KIT P/N Is Shown

1шт.

2

KHJ2033

HOSE

Control Valve to Oil Cooler Line, 6mm ID x 850mm

1шт.

3

KHJ28810

ELBOW

G1/4" x G1/4"

1шт.

4

KHJ13640

STUD

G1/4"

1шт.

5

154467A1

O-RING,10.8mm ID x 2.4mm Width

1шт.

6

KHJ2773

TEE

ASSY, Incl 5, 7

1шт.

7

NSS

NOT SOLD SEPARAT

Tee, Incl in 6

1шт.

8

153458A1

FLANGE

2шт.

9

862-10030

HEX SOC SCREW,M10 x 30mm, Cl 12.9

4шт.

10

155210A1

O-RING

1шт.

11

KHJ1360

O-RING,0.07" Thk x 0.739" ID

1шт.

12

KRJ12170

MANIFOLD VALVE

1шт.

13

KHJ1941

FITTING

1шт.

14

KRJ11470

SUPPORT

1шт.

15

166352A1

BOLT

M12 x 30mm

2шт.

16

KHJ0719

ELBOW

1шт.

17

KLJ14860

HYDRAULIC HOSE

Manifold Valve to Control Valve 5B4 Port, 19mm ID x 650mm

1шт.

18

150860A1

COLLAR

4шт.

19

840-168

SCREW,Pan, M6 x 1 x 8mm, Cl 4.8

4шт.

20

150496A1

MOUNTING CLIP

4шт.

Выбрано товаров: 21