Запчасти Case CX160D LC (88.100.35[056]) - DIA KIT, HAMMER CIRCUIT, HIGH FLOW, W/ ELECTRICAL PROPORTIONAL CONTROL, SOLENOID VALVE, LINE (88) - ACCESSORIES

Схема запчастей Case CX160D LC - (88.100.35[056]) - DIA KIT, HAMMER CIRCUIT, HIGH FLOW, W/ ELECTRICAL PROPORTIONAL CONTROL, SOLENOID VALVE, LINE (88) - ACCESSORIES
2
1
4
8
88.100.35 (046)
5
3
7
88.100.35 (047)
35.359.ab (01)
5
3
88.100.35 (053)
6
4
FIT
1:1
100%

Артикул

Название

Примечание

Количество

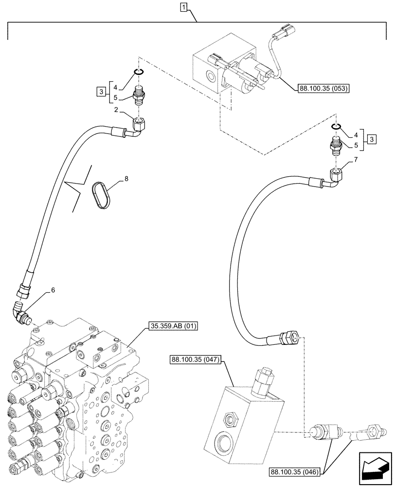
1

KG0LP420-00

CONSTRUCTION DIA

Multi-Purpose with 3 Way Valve Proportional, Incl 2 - 8

1шт.

To See Full DIA KIT Composition Look for all the Figures Where the DIA KIT P/N Is Shown

1шт.

2

KHJ11500

HYDRAULIC HOSE,6.35 mm ID x 3600.00 mm

1шт.

3

152127A1

HYD CONNECTOR,1/4" NPT O-Ring x 1/4" NPT

ASSY, Incl 4, 5

2шт.

4

154467A1

O-RING,10.8mm ID x 2.4mm Width

2шт.

5

NSS

NOT SOLD SEPARAT

Fitting ,Incl in 3

2шт.

6

KHJ28580

ELBOW

1шт.

7

KHJ12230

HYDRAULIC HOSE

6mm ID x 3450mm

1шт.

8

150498A1

MOUNTING CLIP

300mm

5шт.

Выбрано товаров: 9