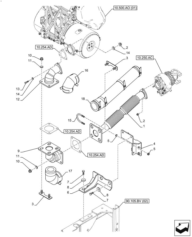
Запчасти Case CX160D LC (10.254.AD[01]) - EXHAUST SYSTEM, EXHAUST PIPE (10) - ENGINE

Схема запчастей Case CX160D LC - (10.254.AD[01]) - EXHAUST SYSTEM, EXHAUST PIPE (10) - ENGINE
10.254.ad
10
11
1
6
5
10.254.ad
4
17
10.250.ac
90.105.bv (02)
16
12
5
2
8
2
18
7
14
3
15
13
10.500.ao (01)
8
7
11
14
9
3
10
10.254.ad
FIT
1:1
100%

Артикул

Название

Примечание

Количество

1

KNH11960

PIPE

1шт.

2

829-1408

NUT,Hex, M8 x 1.25, Cl 10.9

9шт.

3

KNH12000

REINFORCEMENT

4шт.

4

KNH12800

BRACKET

1шт.

5

KHH11440

FLANGE NUT

4шт.

6

KNH11981

BRACKET

1шт.

7

627-10030

BOLT,Hex, M10 x 1.5 x 30mm, Cl 10.9, Full Thd

M10 x 30mm

4шт.

8

KHV10400

WASHER

4шт.

9

KNH11461

PIPE

1шт.

10

829-1412

NUT,M12, Cl 10.9

8шт.

11

157547A1

SPECIAL WASHER

8шт.

12

KNH11471

PIPE

1шт.

13

827-8035

BOLT,Hex, M8 x 1.25 x 35mm, Cl 10.9

M8 x 35mm

3шт.

14

153081A1

WASHER

6шт.

15

ADV1540

U-BOLT

1шт.

16

KNH13700

INSULATION

1шт.

17

KNH13690

INSULATION

1шт.

18

KNH13680

INSULATION

1шт.

Выбрано товаров: 0