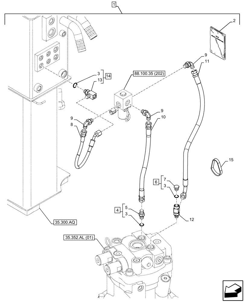
Запчасти Case CX160D LC (88.100.35[201]) - DIA KIT, FREE SWING, MOTO-REDUCTION GEAR, LOCKOUT SOLENOID VALVE, LINE (88) - ACCESSORIES

Схема запчастей Case CX160D LC - (88.100.35[201]) - DIA KIT, FREE SWING, MOTO-REDUCTION GEAR, LOCKOUT SOLENOID VALVE, LINE (88) - ACCESSORIES
12
3
6
8
1
7
15
9
9
3
3
5
14
13
35.352.al (01)
10
88.100.35 (202)
11
2
9
35.300.aq
4
FIT
1:1
100%

Артикул

Название

Примечание

Количество

1

KG0LP429-00

CONSTRUCTION DIA

Free Swing Line, Incl 2 - 15

1шт.

To See Full DIA KIT Composition Look for all the Figures Where the DIA KIT P/N Is Shown

1шт.

2

47891695

INSTRUCTION

1шт.

3

150960A1

O-RING,10.8mm ID x 2.4mm Width

3шт.

4

152127A1

HYD CONNECTOR,1/4" NPT O-Ring x 1/4" NPT

ASSY, G1/4" x G1/4", Incl 3 (Qty 1), 5

1шт.

5

NSS

NOT SOLD SEPARAT

Fitting, Incl in 4

1шт.

6

159002A1

PLUG

ASSY, Incl 3 (Qty 1), 7

1шт.

7

NSS

NOT SOLD SEPARAT

Plug, Incl in 6

1шт.

8

KHJ16200

HYDRAULIC HOSE,6.35 mm ID x 400.00 mm

6mm ID x 400mm

1шт.

9

KHJ28580

ELBOW

3шт.

10

KBJ24690

HYDRAULIC HOSE

6mm ID x 600mm

1шт.

11

KHJ34800

HYDRAULIC HOSE

6mm ID x 630mm

1шт.

12

KHJ11640

ORIFICE

1шт.

13

NSS

NOT SOLD SEPARAT

T Fitting, Incl in 14

1шт.

14

KHJ2773

TEE

ASSY, G1/4", Incl 3 (Qty 1), 13

1шт.

15

150496A1

MOUNTING CLIP

2шт.

Выбрано товаров: 16