Качественные детали и логистика
Оригинальные и аналоговые запчасти с доставкой по России, Казахстану и Беларуси
©2022 PartSell ООО "Система" ИНН 2463123282 ОГРН 1212400004838
Центральный офис: г. Красноярск, Академика Киренского, д.87, пом.4
Телефон: 8 (800) 777-65-74 Email: zakaz@partsell.ru
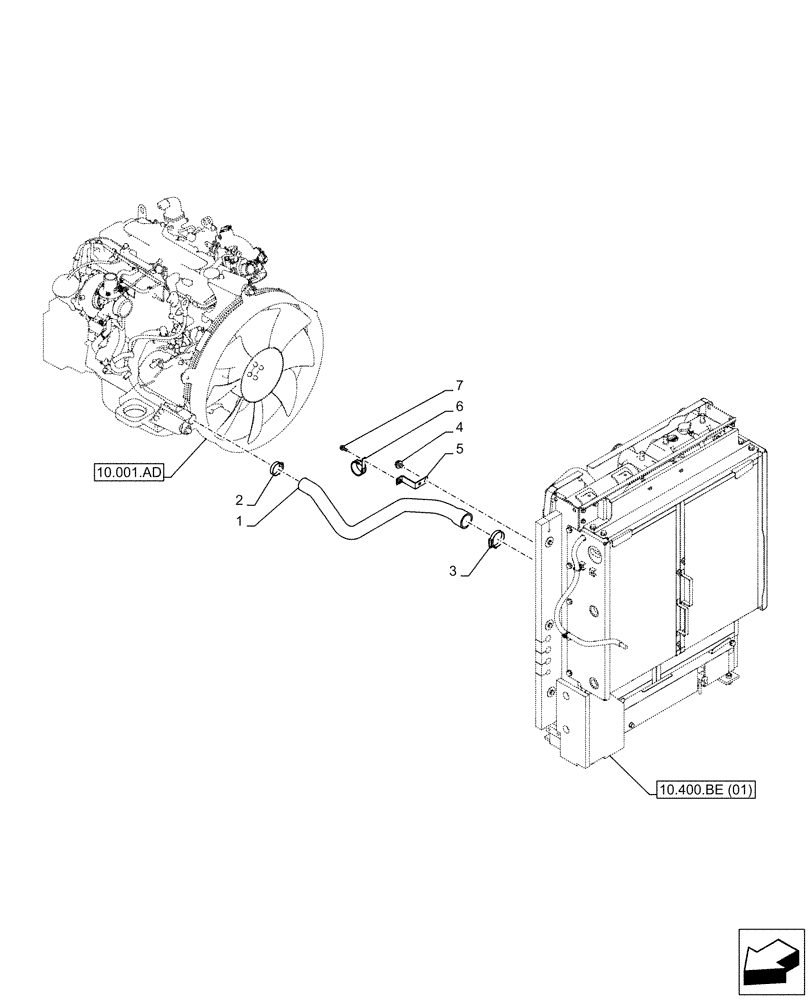
(10.400.AP) - RADIATOR HOSE
№
Артикул
Название
Примечание
Количество
1
KLH10260
RADIATOR HOSE,37.10 mm ID
1шт.
2
165792A1
COLLAR
3
165793A1
4
166345A1
BOLT
M8 x 16mm
2шт.
5
KLH10270
SUPPORT
6
KLH10280
COLLAR CLAMP
7
KHJ1215
BOLT,Spcl
M8 x 25mm
Выбрано товаров: 0