Запчасти Case CX160D LC (90.118.AX[02]) - VAR - 461573 - HANDRAIL (90) - PLATFORM, CAB, BODYWORK AND DECALS

Схема запчастей Case CX160D LC - (90.118.AX[02]) - VAR - 461573 - HANDRAIL (90) - PLATFORM, CAB, BODYWORK AND DECALS
7
8
1
39.101.ac
3
90.105.bv (09)
2
6
5
4
FIT
1:1
100%

Артикул

Название

Примечание

Количество

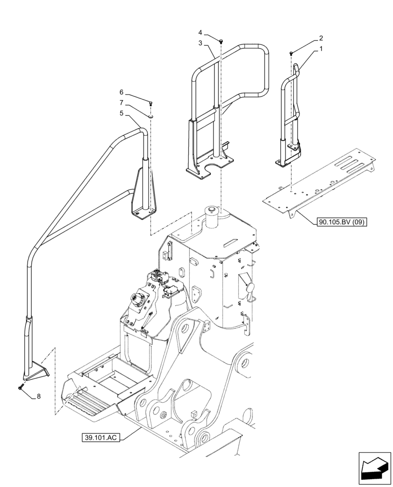
1

KLN13480

GUARD

1шт.

2

166352A1

BOLT

4шт.

3

KRN29280

GUARD

1шт.

4

105R012Y025R

BOLT

4шт.

5

KHN39810

STAY

1шт.

6

627-12025

BOLT,Hex, M12 x 1.75 x 25mm, Cl 10.9, Full Thd

2шт.

7

151161A1

WASHER

2шт.

8

105R012Y045R

BOLT

3шт.

Выбрано товаров: 8