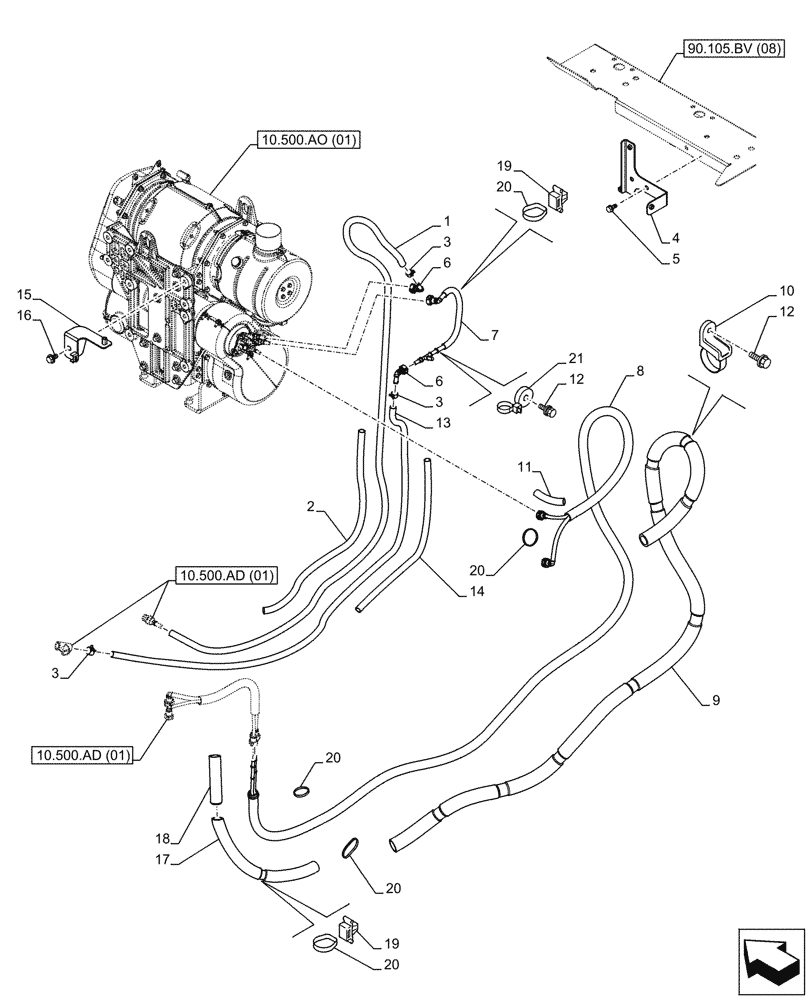
Запчасти Case CX160D LC (10.500.AD[02]) - DEF/ADBLUE™ TANK, SUPPLY LINES (10) - ENGINE

Схема запчастей Case CX160D LC - (10.500.AD[02]) - DEF/ADBLUE™ TANK, SUPPLY LINES (10) - ENGINE
17
6
20
11
20
3
19
20
13
16
15
18
20
10
9
21
14
1
4
90.105.bv (08)
12
5
10.500.ad (01)
3
8
6
10.500.ao (01)
19
12
20
10.500.ad (01)
7
3
2
FIT
1:1
100%

Артикул

Название

Примечание

Количество

1

KHH16110

HOSE

11mm ID x 2000mm

1шт.

2

KHR13390

PLASTIC-RUBBER TUBE

19mm ID x 1900mm

1шт.

3

KHH16800

BAND

3шт.

4

KNH12700

BRACKET

1шт.

5

166052A1

BOLT

M10 x 25mm

2шт.

6

KHH15490

ELBOW

2шт.

7

KNH12770

PIPE

1шт.

8

KNH13500

HYDRAULIC HOSE

1шт.

9

KHH19480

INSULATION

2шт.

10

KHR2581

CLAMP

5шт.

11

KHH19510

INSULATION

1шт.

12

KHJ1215

BOLT,Spcl

M8 x 25mm

8шт.

13

KHH16830

HOSE

1шт.

14

158065A1

PLASTIC-RUBBER TUBE

19mm ID x 2000mm

1шт.

15

KNH11930

BRACKET

1шт.

16

152718A1

BOLT,Spcl, Hex Wshr, M12 x 25mm, Cl 10.9

1шт.

17

KHH18040

INSULATION

1шт.

18

KHH17040

INSULATION

1шт.

19

KHR10220

MOUNTING CLIP

1шт.

20

150496A1

MOUNTING CLIP

250mm

1шт.

21

KHR2584

CLAMP

3шт.

Выбрано товаров: 0