Запчасти Case CX160D LC (35.000.00[01]) - SECTION INDEX - HYDRAULIC SYSTEMS (35) - HYDRAULIC SYSTEMS

Схема запчастей Case CX160D LC - (35.000.00[01]) - SECTION INDEX - HYDRAULIC SYSTEMS (35) - HYDRAULIC SYSTEMS
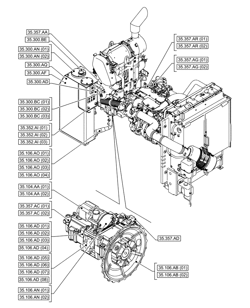
35.106.ad (08)
35.357.ag (01)
35.106.ad (06)
35.106.ad (05)
35.300.bc (03)
35.106.ab (02)
35.106.ad (01)
35.106.ad (03)
35.300.an (01)
35.352.ai (01)
35.300.be
35.352.ai (03)
35.106.an (01)
35.106.ao (03)
35.357.ar (01)
35.300.ad
35.300.af
35.104.aa (01)
35.106.ad (04)
35.300.bc (02)
35.357.ac (01)
35.300.an (02)
35.106.ad (07)
35.357.ac (02)
35.357.aa
35.106.an (02)
35.106.ad (02)
35.357.ar (02)
35.106.ao (02)
35.104.aa (02)
35.106.ao (01)
35.106.ao (04)
35.106.ab (01)
35.352.ai (02)
35.357.ag (02)
35.357.ad
35.300.aq
35.300.bc (01)
FIT
1:1
100%