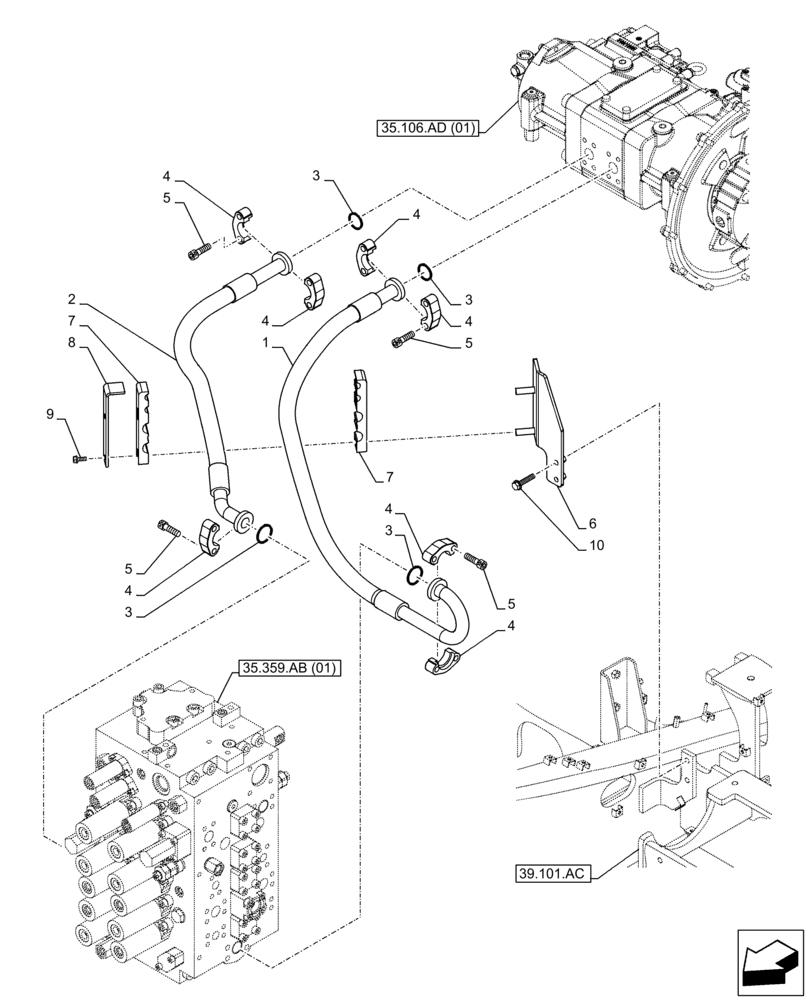
Запчасти Case CX210D LC (35.106.AO[01]) - VARIABLE DELIVERY HYDRAULIC PUMP, PRESSURE PIPE (35) - HYDRAULIC SYSTEMS

Схема запчастей Case CX210D LC - (35.106.AO[01]) - VARIABLE DELIVERY HYDRAULIC PUMP, PRESSURE PIPE (35) - HYDRAULIC SYSTEMS
3
5
39.101.ac
8
3
4
7
10
4
5
4
3
2
4
9
7
4
1
35.106.ad (01)
35.359.ab (01)
4
5
4
6
5
3
FIT
1:1
100%

Артикул

Название

Примечание

Количество

1

KBJ18970

HYDRAULIC HOSE

22mm ID x 1210mm

1шт.

2

KBJ22450

HYDRAULIC HOSE

22mm ID x 960mm

1шт.

3

155211A1

O-RING

4шт.

4

150561A1

FLANGE

8шт.

5

862-12040

HEX SOC SCREW,M12 x 40mm, Cl 12.9

16шт.

6

KBJ22460

BRACKET

1шт.

7

KBJ22470

CLAMP

2шт.

8

KBJ22480

PLATE

1шт.

9

166347A1

BOLT,Sems, M10 x 30mm

M10 x 30mm

2шт.

10

167183A1

BOLT,Sems, M12 x 60mm, Cl 10.9

2шт.

Выбрано товаров: 10