Запчасти Case CX210D LC (88.100.35[104]) - DIA KIT, CLAMSHELL BUCKET, ROTATION, W/ ELECTRICAL PROPORTIONAL CONTROL, BOOM, LINE (88) - ACCESSORIES

Схема запчастей Case CX210D LC - (88.100.35[104]) - DIA KIT, CLAMSHELL BUCKET, ROTATION, W/ ELECTRICAL PROPORTIONAL CONTROL, BOOM, LINE (88) - ACCESSORIES
35.360.am (02)
84.910.aa
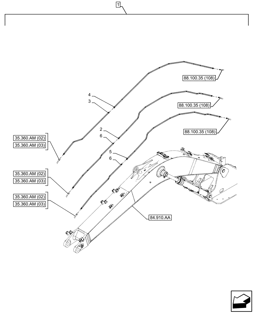
1
35.360.am (03)
35.360.am (03)
3
35.360.am (03)
88.100.35 (108)
35.360.am (02)
5
6
4
88.100.35 (108)
88.100.35 (108)
2
6
35.360.am (02)
FIT
1:1
100%

Артикул

Название

Примечание

Количество

1

KG2RP268-00

CONSTRUCTION DIA

Second Option Line Proportional, Incl 2 - 6

1шт.

To See Full DIA KIT Composition Look for all the Figures Where the DIA KIT P/N Is Shown

1шт.

2

KRV42280

PIPE

1шт.

3

KRV40190

PIPE

1шт.

4

KRV32710

PIPE

1шт.

5

KRV32720

PIPE

1шт.

6

KRV40180

PIPE

2шт.

Выбрано товаров: 7