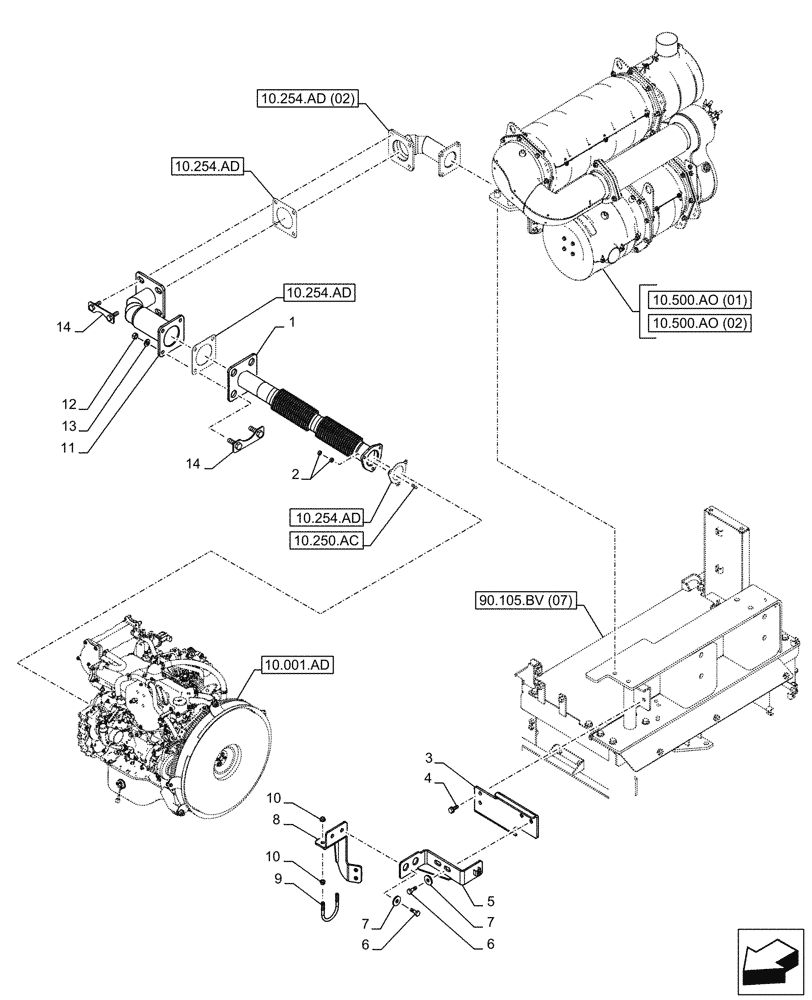
Запчасти Case CX210D LC (10.254.AD[01]) - EXHAUST SYSTEM, EXHAUST PIPE - BSN NGS7H1297 (10) - ENGINE

Схема запчастей Case CX210D LC - (10.254.AD[01]) - EXHAUST SYSTEM, EXHAUST PIPE - BSN NGS7H1297 (10) - ENGINE
10.254.ad
6
6
7
1
10
5
14
2
10
13
7
4
8
3
14
12
11
9
10.254.ad (02)
10.254.ad
10.254.ad
10.500.ao (02)
10.250.ac
90.105.bv (07)
10.500.ao (01)
10.001.ad
FIT
1:1
100%

Артикул

Название

Примечание

Количество

1

KBH14770

EXHAUST SYSTEM PIPE

1шт.

2

829-1408

NUT,Hex, M8 x 1.25, Cl 10.9

6шт.

3

KBH14730

BRACKET

1шт.

4

166347A1

BOLT,Sems, M10 x 30mm

2шт.

5

KBH14740

BRACKET

1шт.

6

627-10030

BOLT,Hex, M10 x 1.5 x 30mm, Cl 10.9, Full Thd

4шт.

7

KHV10400

WASHER

4шт.

8

KBH14750

BRACKET

1шт.

9

ADV1540

U-BOLT

1шт.

10

KHH11440

FLANGE NUT

4шт.

11

KBH14780

EXHAUST SYSTEM PIPE

1шт.

12

829-1412

NUT,M12, Cl 10.9

4шт.

13

157547A1

SPECIAL WASHER

4шт.

14

KNH12000

REINFORCEMENT

, Serial Range: -NFS7H1276

4шт.

CX210D LC (NA) Model Only

1шт.

14

KNH12001

PLATE

, Start Serial: NFS7H1277

4шт.

CX210D LC (NA) Model Only

1шт.

Выбрано товаров: 17