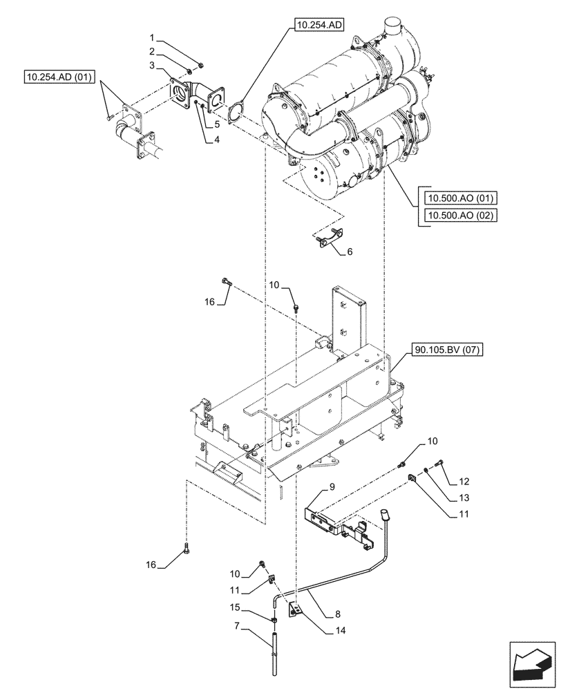
Запчасти Case CX210D LC (10.254.AD[02]) - EXHAUST SYSTEM, EXHAUST PIPE - BSN NGS7H1297 (10) - ENGINE

Схема запчастей Case CX210D LC - (10.254.AD[02]) - EXHAUST SYSTEM, EXHAUST PIPE - BSN NGS7H1297 (10) - ENGINE
10.500.ao (02)
7
8
12
11
4
16
9
1
15
16
11
10
14
10
5
6
13
10
3
10.254.ad (01)
2
10.254.ad
90.105.bv (07)
10.500.ao (01)
FIT
1:1
100%

Артикул

Название

Примечание

Количество

1

829-1412

NUT,M12, Cl 10.9

4шт.

2

157547A1

SPECIAL WASHER

4шт.

3

KBH14790

EXHAUST SYSTEM PIPE

1шт.

4

829-1408

NUT,Hex, M8 x 1.25, Cl 10.9

4шт.

5

153081A1

WASHER

4шт.

6

KBH14850

REINFORCEMENT

, Serial Range: -NFS7H1276

2шт.

CX210D LC (NA) Model Only

1шт.

6

KBH14851

PLATE

, Start Serial: NFS7H1277

2шт.

CX210D LC (NA) Model Only

1шт.

7

KHH14110

HOSE

1шт.

8

KBH12720

PIPE

1шт.

9

KBH15730

BRACKET

1шт.

10

166347A1

BOLT,Sems, M10 x 30mm

5шт.

11

KLH11320

CLAMP

2шт.

12

627-10035

BOLT,Hex, M10 x 1.5 x 35mm, Cl 10.9, Full Thd

1шт.

13

150409A1

WASHER

1шт.

14

KBH12710

BRACKET

1шт.

15

KHH0405

MOUNTING CLIP

1шт.

16

105R012Y045R

BOLT

8шт.

Выбрано товаров: 19