Качественные детали и логистика
Оригинальные и аналоговые запчасти с доставкой по России, Казахстану и Беларуси
©2022 PartSell ООО "Система" ИНН 2463123282 ОГРН 1212400004838
Центральный офис: г. Красноярск, Академика Киренского, д.87, пом.4
Телефон: 8 (800) 777-65-74 Email: zakaz@partsell.ru
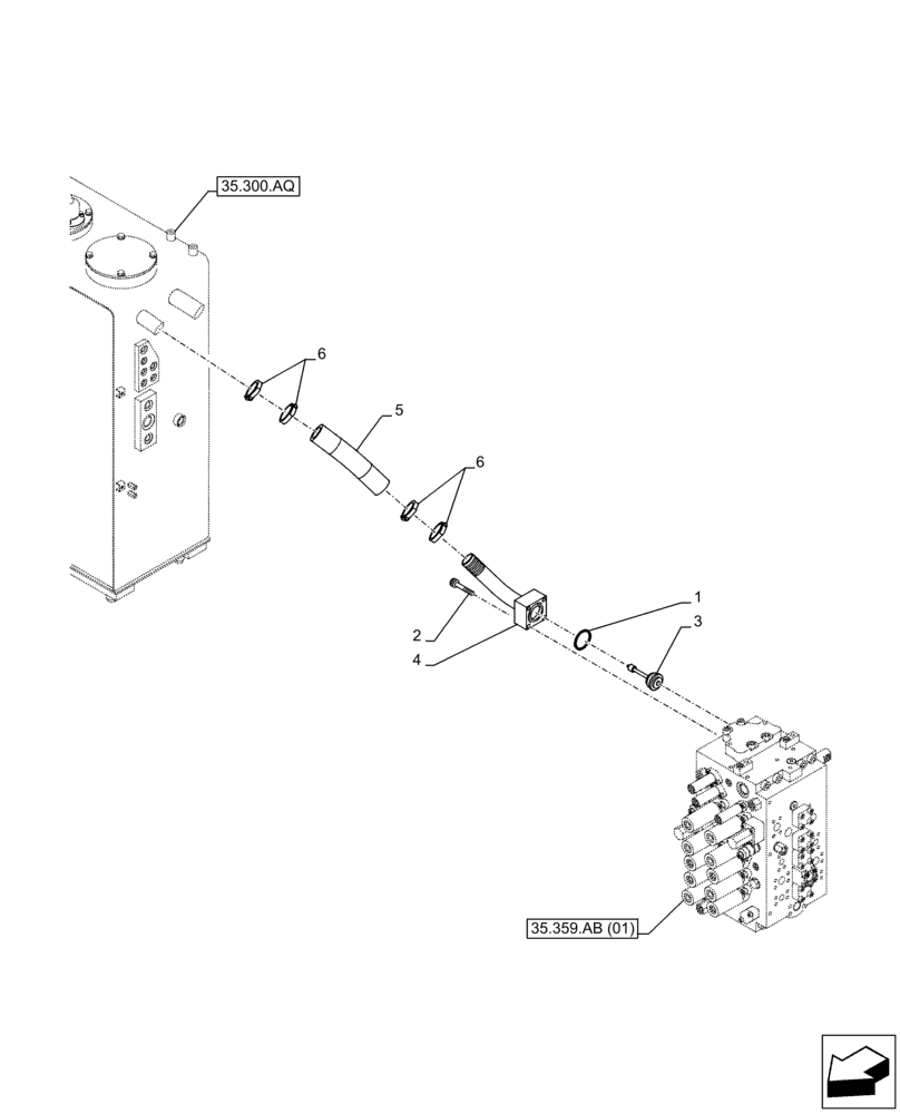
(35.300.BC[01]) - OIL COOLER LINE
№
Артикул
Название
Примечание
Количество
1
154641A1
O-RING
1шт.
2
862-10060
HEX SOC SCREW,M10 x 60mm, Cl 12.9
4шт.
3
159054A1
VALVE
4
KBJ22230
PIPE
5
158803A1
HOSE
6
KHJ26100
HOSE CLAMP
Выбрано товаров: 0