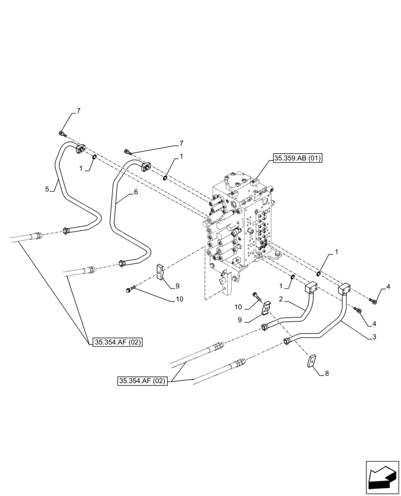
Запчасти Case CX210D LC LR (35.354.AF[01]) - HYDRAULIC SWIVEL, LINE (35) - HYDRAULIC SYSTEMS

Схема запчастей Case CX210D LC LR - (35.354.AF[01]) - HYDRAULIC SWIVEL, LINE (35) - HYDRAULIC SYSTEMS
1
10
1
3
2
10
9
1
4
7
4
35.354.af (02)
8
9
5
1
7
35.359.ab (01)
6
35.354.af (02)
FIT
1:1
100%

Артикул

Название

Примечание

Количество

1

155210A1

O-RING

4шт.

2

KBJ18840

PIPE

1шт.

3

KBJ18850

PIPE

1шт.

4

862-10055

HEX SOC SCREW,M10 x 55mm, Cl 12.9

M10 x 55mm

8шт.

5

KBJ18831

PIPE

1шт.

6

KBJ18821

PIPE

1шт.

7

862-10030

HEX SOC SCREW,M10 x 30mm, Cl 12.9

M10 x 30mm

8шт.

8

KRJ10720

PLATE

1шт.

9

152085A1

COLLAR

2шт.

10

167183A1

BOLT,Sems, M12 x 60mm, Cl 10.9

M12 x 60mm

2шт.

Выбрано товаров: 10