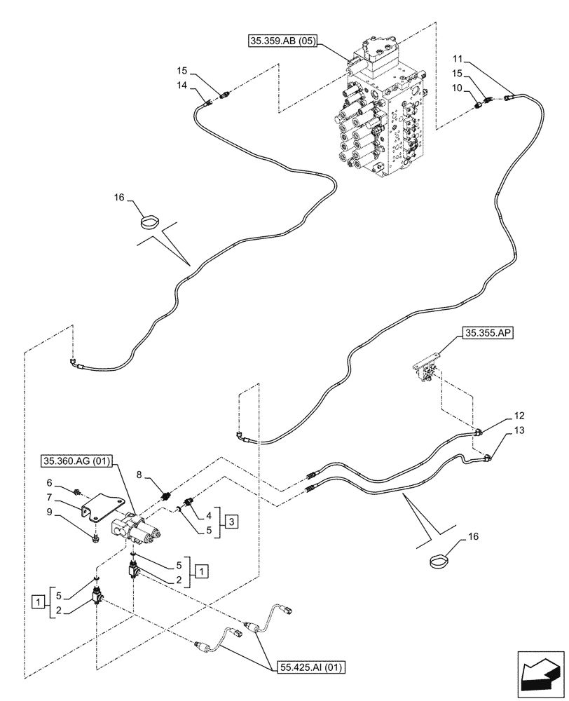
Запчасти Case CX210D LC LR (35.360.AF[02]) - VAR - 461863 - HYDRAULIC LINE, CLAMSHELL BUCKET, ROTATION, W/ ELECTRICAL PROPORTIONAL CONTROL (35) - HYDRAULIC SYSTEMS

Схема запчастей Case CX210D LC LR - (35.360.AF[02]) - VAR - 461863 - HYDRAULIC LINE, CLAMSHELL BUCKET, ROTATION, W/ ELECTRICAL PROPORTIONAL CONTROL (35) - HYDRAULIC SYSTEMS
35.355.ap
5
5
4
16
15
7
2
6
13
11
15
12
1
1
10
9
5
3
8
14
2
35.360.ag (01)
16
55.425.ai (01)
35.359.ab (05)
FIT
1:1
100%

Артикул

Название

Примечание

Количество

1

167666A1

FITTING

G1/4" x G1/4", ASSY, Incl 2, 5 (Qty 1)

2шт.

2

NSS

NOT SOLD SEPARAT

T-Fitting, incl in 1

2шт.

3

152127A1

HYD CONNECTOR,1/4" NPT O-Ring x 1/4" NPT

G1/4" x G1/4", ASSY, Incl 4, 5 (Qty 1)

1шт.

4

NSS

NOT SOLD SEPARAT

Fitting, Incl in 3

1шт.

5

154467A1

O-RING,10.8mm ID x 2.4mm Width

2шт.

6

166345A1

BOLT

M8 x 16mm

2шт.

7

KHJ28770

BRACKET

1шт.

8

161841A1

HYD CONNECTOR

G1/4" x G1/4"

1шт.

9

166351A1

BOLT,Sems, M10 x 20mm

M10 x 20mm

2шт.

10

KHJ13640

STUD

G1/4"

1шт.

11

KHJ17840

HOSE

6mm ID x 3700mm

1шт.

12

KHJ2089

HOSE,6.3 mm ID x 900.00 mm

6mm ID x 900mm

1шт.

13

KHJ2088

HOSE

6mm ID x 850mm

1шт.

14

KHJ16300

HOSE

6mm ID x 3650mm

1шт.

15

KHJ28580

ELBOW

G1/4" x G1/4"

2шт.

16

150496A1

MOUNTING CLIP

250mm

4шт.

Выбрано товаров: 16