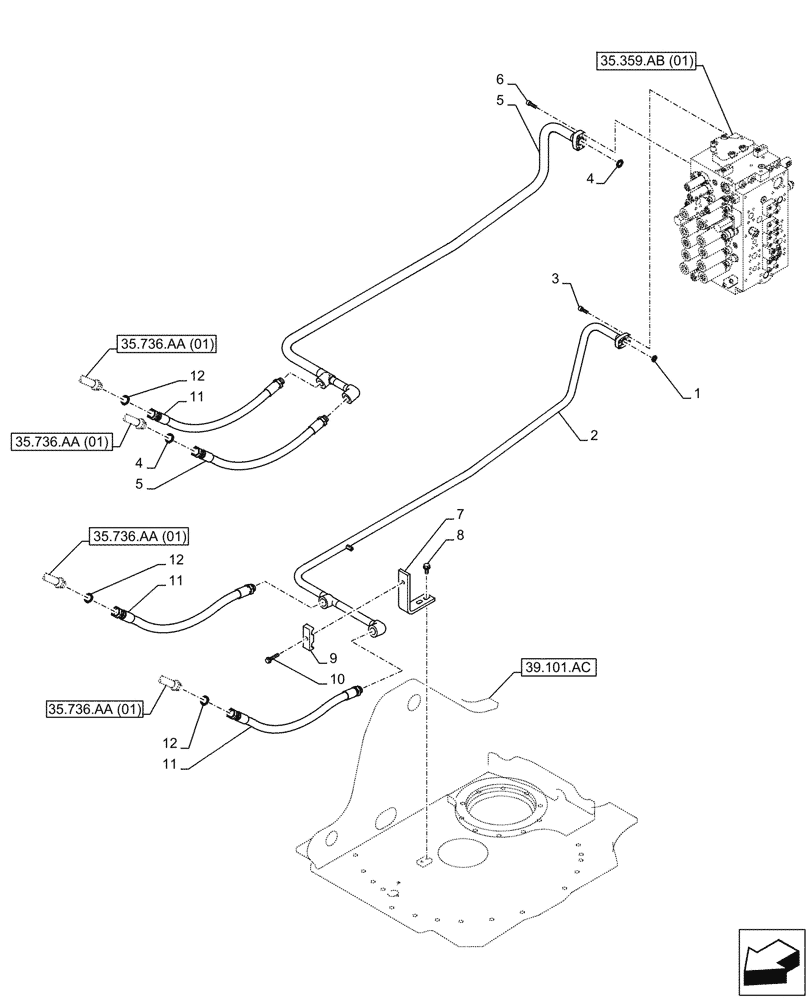
Запчасти Case CX210D LC LR (35.736.AC) - LIFT CYLINDER, BOOM, LINE (35) - HYDRAULIC SYSTEMS

Схема запчастей Case CX210D LC LR - (35.736.AC) - LIFT CYLINDER, BOOM, LINE (35) - HYDRAULIC SYSTEMS
12
35.736.aa (01)
4
35.736.aa (01)
39.101.ac
12
7
9
35.359.ab (01)
35.736.aa (01)
10
35.736.aa (01)
5
12
6
5
11
3
8
11
4
11
1
2
FIT
1:1
100%

Артикул

Название

Примечание

Количество

1

155210A1

O-RING

1шт.

2

KRJ36850

PIPE

1шт.

3

862-10030

HEX SOC SCREW,M10 x 30mm, Cl 12.9

4шт.

4

155211A1

O-RING

1шт.

5

KRJ36860

PIPE

1шт.

6

862-10035

HEX SOC SCREW,M10 x 35mm, Cl 12.9

4шт.

7

KRJ10900

SUPPORT

1шт.

8

166352A1

BOLT

M12 x 30mm

2шт.

9

152085A1

COLLAR

19 x 810mm

1шт.

10

167183A1

BOLT,Sems, M12 x 60mm, Cl 10.9

1шт.

11

KRJ11331

HYDRAULIC HOSE

4шт.

12

KHJ1360

O-RING,0.07" Thk x 0.739" ID

4шт.

Выбрано товаров: 12