Качественные детали и логистика
Оригинальные и аналоговые запчасти с доставкой по России, Казахстану и Беларуси
©2022 PartSell ООО "Система" ИНН 2463123282 ОГРН 1212400004838
Центральный офис: г. Красноярск, Академика Киренского, д.87, пом.4
Телефон: 8 (800) 777-65-74 Email: zakaz@partsell.ru
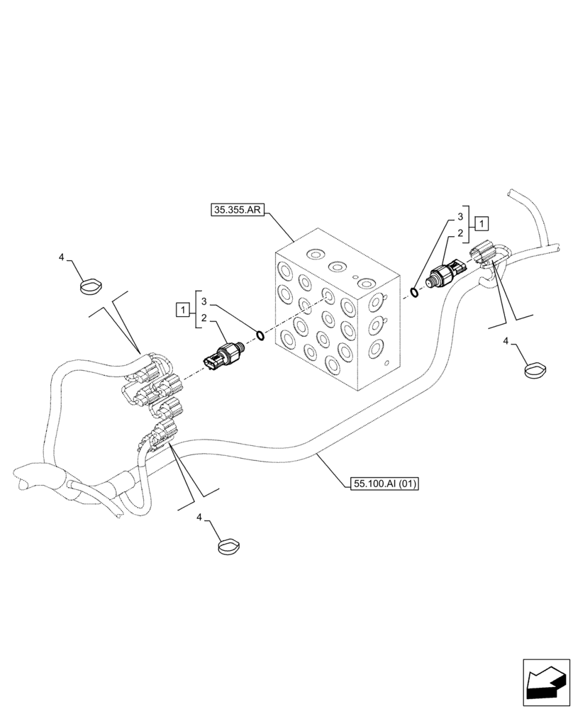
(55.036.AB[02]) - CONTROL VALVE, SENSOR
№
Артикул
Название
Примечание
Количество
1
KHR26940
SENSOR
ASSY, Control Valve Pressure, Incl 2, 3
7шт.
2
NSS
NOT SOLD SEPARAT
Sensor, Incl in 1
1шт.
3
154467A1
O-RING,10.8mm ID x 2.4mm Width
4
150496A1
MOUNTING CLIP
3шт.
Выбрано товаров: 0