Запчасти Case CX210D LC LR (88.100.35[092]) - DIA KIT, CLAMSHELL BUCKET, ROTATION, W/ ELECTRICAL PROPORTIONAL CONTROL, PTO (88) - ACCESSORIES

Схема запчастей Case CX210D LC LR - (88.100.35[092]) - DIA KIT, CLAMSHELL BUCKET, ROTATION, W/ ELECTRICAL PROPORTIONAL CONTROL, PTO (88) - ACCESSORIES
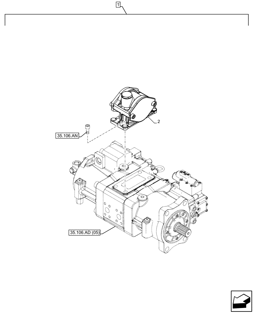
35.106.an
1
35.106.ad (05)
2
FIT
1:1
100%

Артикул

Название

Примечание

Количество

1

KG2RP387-00

CONSTRUCTION DIA

Second Option Line Proportional, Incl 2

1шт.

To See Full DIA KIT Composition Look for all the Figures Where the DIA KIT P/N Is Shown

1шт.

2

KRJ12620

HYDRAULIC PUMP

1шт.

Выбрано товаров: 3