Запчасти Case CX210D LC LR (10.254.AD[02]) - EXHAUST SYSTEM, EXHAUST PIPE - BSN NGS7H1299 (10) - ENGINE

Схема запчастей Case CX210D LC LR - (10.254.AD[02]) - EXHAUST SYSTEM, EXHAUST PIPE - BSN NGS7H1299 (10) - ENGINE
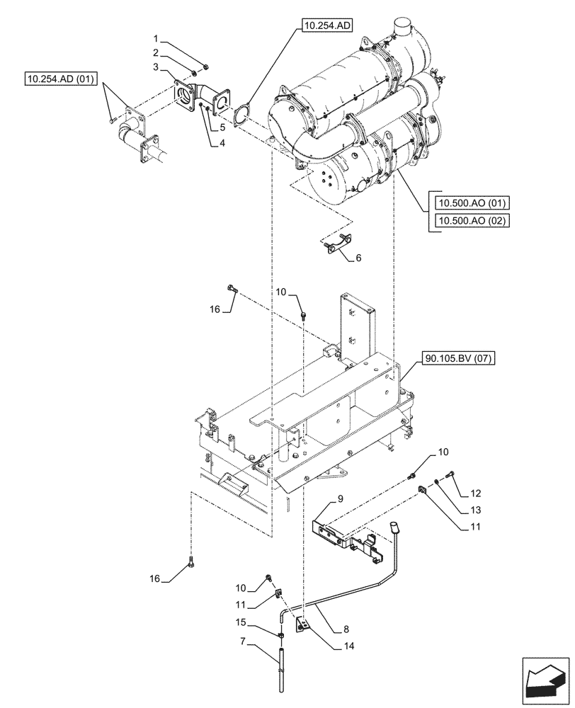
10.254.ad
9
10
8
6
16
13
11
1
16
4
15
10
12
3
11
14
10
5
2
10.254.ad (01)
7
10.500.ao (02)
10.500.ao (01)
90.105.bv (07)
FIT
1:1
100%

Артикул

Название

Примечание

Количество

1

829-1412

NUT,M12, Cl 10.9

4шт.

2

157547A1

SPECIAL WASHER

4шт.

3

KBH14790

EXHAUST SYSTEM PIPE

1шт.

4

829-1408

NUT,Hex, M8 x 1.25, Cl 10.9

4шт.

5

153081A1

WASHER

4шт.

6

KBH14850

REINFORCEMENT

, Serial Range: NFS7H1249-NFS7H1285

2шт.

CX210D LR (NA) Model Only

1шт.

6

KBH14851

PLATE

, Start Serial: NFS7H1286

2шт.

CX210D LR (NA) Model Only

1шт.

7

KHH14110

HOSE

1шт.

8

KBH12720

PIPE

1шт.

9

KBH15730

BRACKET

, Start Serial: NFS7H1249

1шт.

CX210D LR (NA) Model Only

1шт.

10

166347A1

BOLT,Sems, M10 x 30mm

5шт.

11

KLH11320

CLAMP

2шт.

12

627-10035

BOLT,Hex, M10 x 1.5 x 35mm, Cl 10.9, Full Thd

1шт.

13

150409A1

WASHER

1шт.

14

KBH12710

BRACKET

1шт.

15

KHH0405

MOUNTING CLIP

1шт.

16

105R012Y045R

BOLT

8шт.

Выбрано товаров: 20