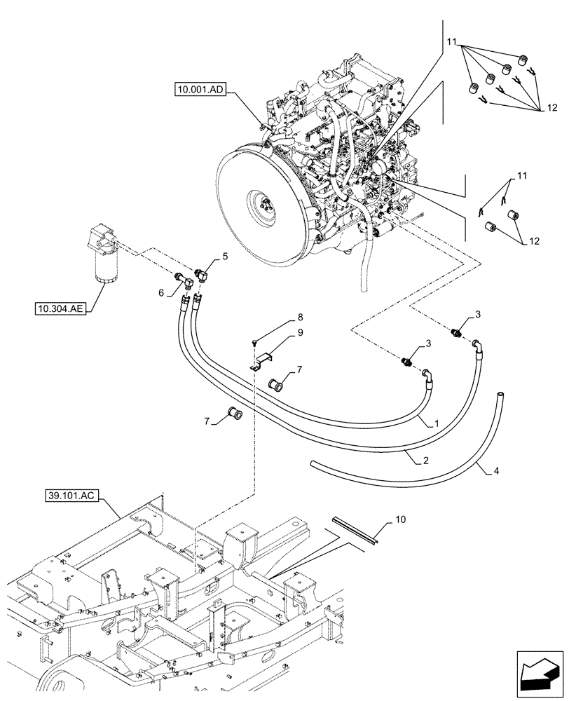
Запчасти Case CX210D LC LR (10.304.AF[01]) - ENGINE OIL FILTER, LINE (10) - ENGINE

Схема запчастей Case CX210D LC LR - (10.304.AF[01]) - ENGINE OIL FILTER, LINE (10) - ENGINE
39.101.ac
1
2
9
4
12
12
10
6
11
11
3
8
7
3
7
5
10.304.ae
10.001.ad
FIT
1:1
100%

Артикул

Название

Примечание

Количество

1

KBH10590

HYDRAULIC HOSE,19.00 mm ID x 1450.00 mm

1450mm

1шт.

2

KRH10330

HYDRAULIC HOSE,19.00 mm ID x 1350.00 mm

1350mm

1шт.

3

KHH14620

ADAPTER

2шт.

4

KHR21080

PLASTIC-RUBBER TUBE

700mm

2шт.

5

KHH14660

ELBOW

1шт.

6

KHH14690

ELBOW

1шт.

7

KHJ2023

HOSE CLAMP

2шт.

8

166052A1

BOLT

1шт.

9

KHH13550

BRACKET

1шт.

10

150953A1

RUBBER BLOCK

1шт.

11

KHH14600

LOCK PIN

6шт.

12

KHH14570

CAP

6шт.

Выбрано товаров: 12